GARDENCARE Rasentraktor T 17-102 HD Ersatzteile
T 17-102 HD Rasentraktor
Artikel Nummer: 118911 01022008

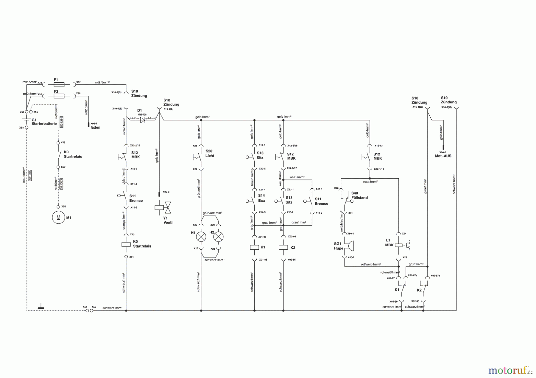
Hier finden Sie die Ersatzteilzeichnung für GARDENCARE Gartentechnik Rasentraktor T 17-102 HD 02/2008 - 11/2008 Seite 9. Wählen Sie das benötigte Ersatzteil aus der Ersatzteilliste Ihres GARDENCARE Gerätes aus und bestellen Sie einfach online. Viele GARDENCARE Ersatzteile halten wir ständig in unserem Lager für Sie bereit.
| BildNr | Artikel Nummer | Bezeichnung | |
| AL521363 | KABEL ROT STARTER/RELAIS | ||
| AL521365 | KABEL BLAU MASSELEITER | ||
| AL521366 | KABEL ROT BATTERIE/RELAIS | ||


Qualitätsmanagement
Informieren Sie uns, wenn Sie einen Fehler gefunden haben.

