AL-KO TP 600 Inox Ersatzteile
TP 600 Inox Tauchpumpen
Artikel Nummer: 110398 01000

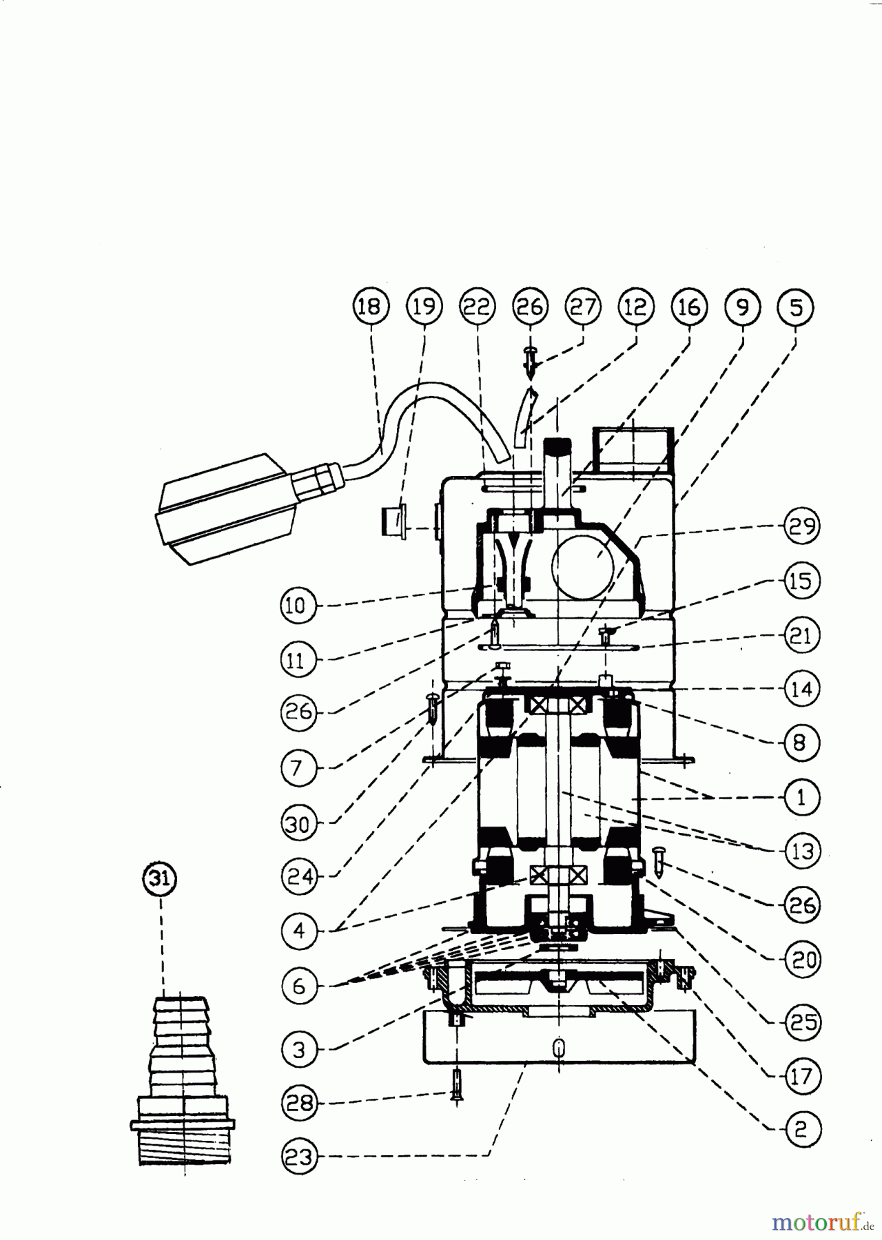
Hier finden Sie die Ersatzteilzeichnung für AL-KO Wassertechnik Tauchpumpen TP 600 Inox vor 08/2000 Seite 1. Wählen Sie das benötigte Ersatzteil aus der Ersatzteilliste Ihres AL-KO Gerätes aus und bestellen Sie einfach online. Viele AL-KO Ersatzteile halten wir ständig in unserem Lager für Sie bereit.


Qualitätsmanagement
Informieren Sie uns, wenn Sie einen Fehler gefunden haben.


