AL-KO Rain 2500 Ersatzteile
Rain 2500 Tauchpumpen
Artikel Nummer: 112410 01112006

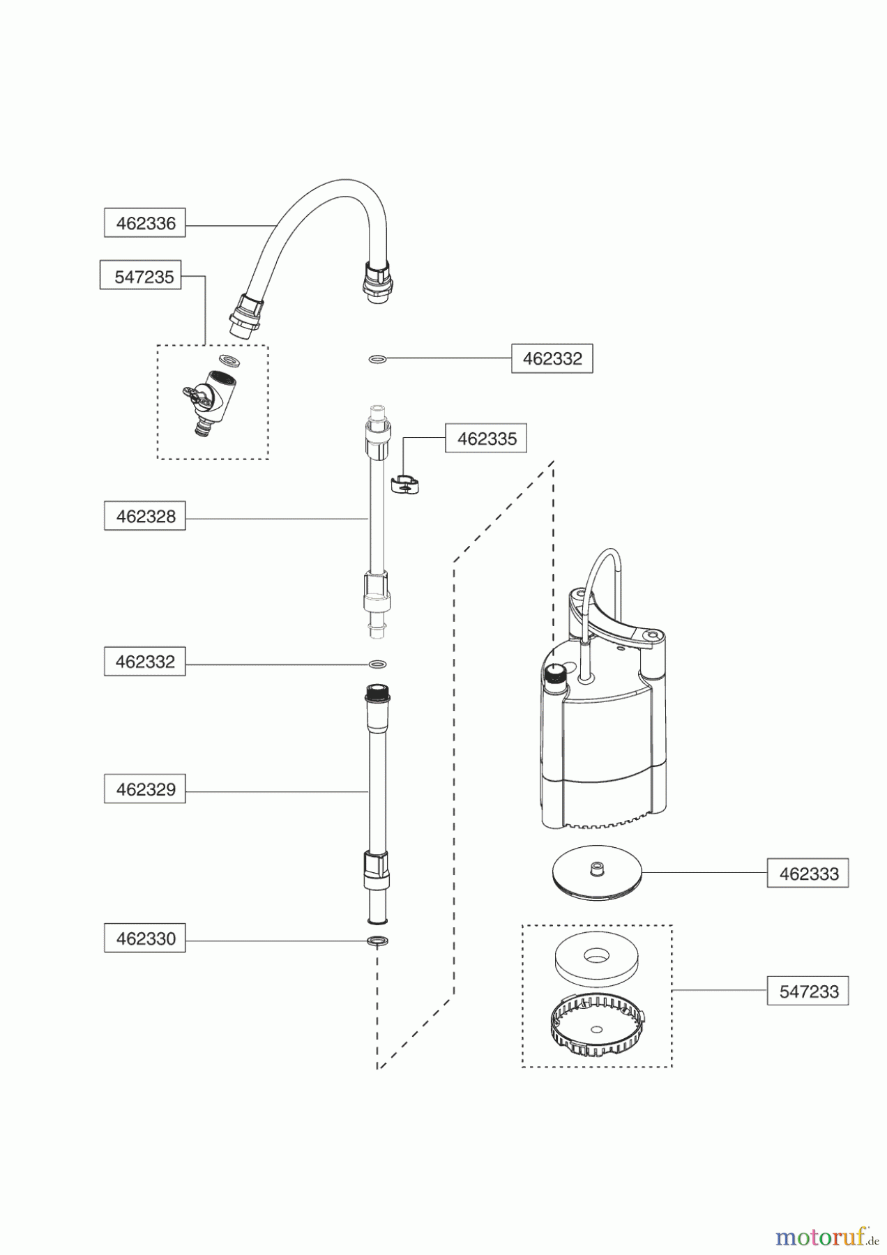
Hier finden Sie die Ersatzteilzeichnung für AL-KO Wassertechnik Tauchpumpen Rain 2500 ab 11/2006 Seite 1. Wählen Sie das benötigte Ersatzteil aus der Ersatzteilliste Ihres AL-KO Gerätes aus und bestellen Sie einfach online. Viele AL-KO Ersatzteile halten wir ständig in unserem Lager für Sie bereit.


Qualitätsmanagement
Informieren Sie uns, wenn Sie einen Fehler gefunden haben.

