AL-KO T15-102 SPH-E Ersatzteile
T15-102 SPH-E Rasentraktor
Artikel Nummer: 119153 01112008

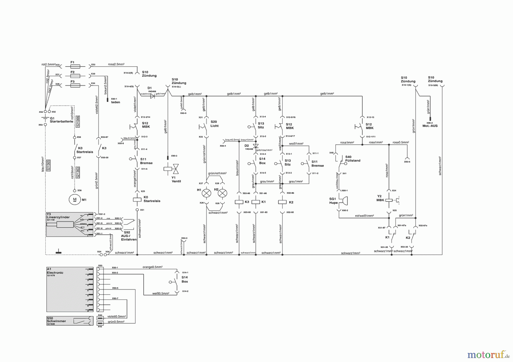
Hier finden Sie die Ersatzteilzeichnung für AL-KO Gartentechnik Rasentraktor T15-102 SPH-E 11/2008 - 03/2009 Seite 11. Wählen Sie das benötigte Ersatzteil aus der Ersatzteilliste Ihres AL-KO Gerätes aus und bestellen Sie einfach online. Viele AL-KO Ersatzteile halten wir ständig in unserem Lager für Sie bereit.


Qualitätsmanagement
Informieren Sie uns, wenn Sie einen Fehler gefunden haben.

