AL-KO T 13/102 SD Ersatzteile
T 13/102 SD Rasentraktor
Artikel Nummer: 110139 01121994

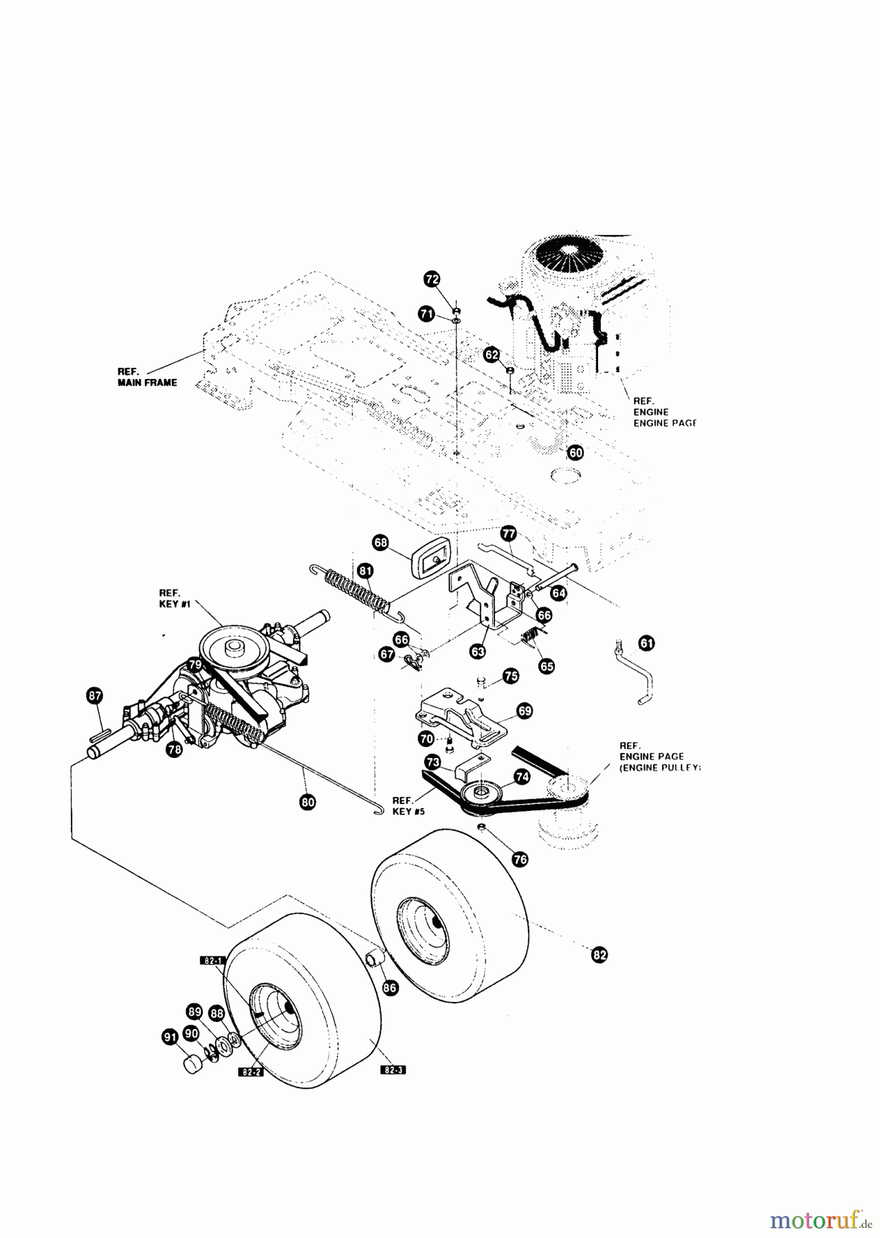
Hier finden Sie die Ersatzteilzeichnung für AL-KO Gartentechnik Rasentraktor T 13/102 SD 12/1994 - 01/1996 Seite 7. Wählen Sie das benötigte Ersatzteil aus der Ersatzteilliste Ihres AL-KO Gerätes aus und bestellen Sie einfach online. Viele AL-KO Ersatzteile halten wir ständig in unserem Lager für Sie bereit.


Qualitätsmanagement
Informieren Sie uns, wenn Sie einen Fehler gefunden haben.

