AL-KO T 1000 HDE Ersatzteile
T 1000 HDE Rasentraktor
Artikel Nummer: 119151 01022008

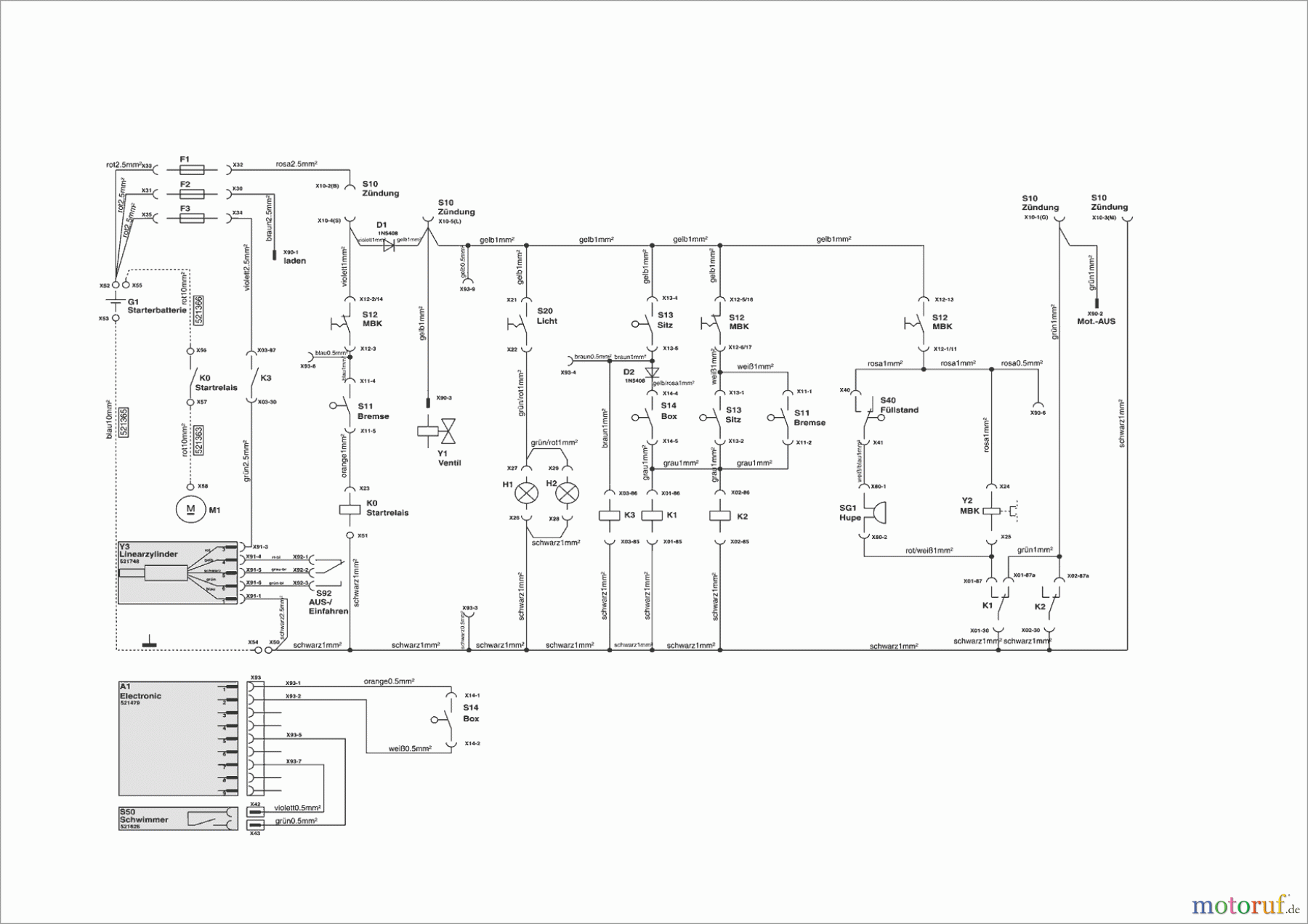
Hier finden Sie die Ersatzteilzeichnung für AL-KO Gartentechnik Rasentraktor T 1000 HDE 02/2008 - 11/2008 Seite 9. Wählen Sie das benötigte Ersatzteil aus der Ersatzteilliste Ihres AL-KO Gerätes aus und bestellen Sie einfach online. Viele AL-KO Ersatzteile halten wir ständig in unserem Lager für Sie bereit.



