AL-KO Comfort T750 Ersatzteile
Comfort T750 Rasentraktor
Artikel Nummer: 119044 01022011

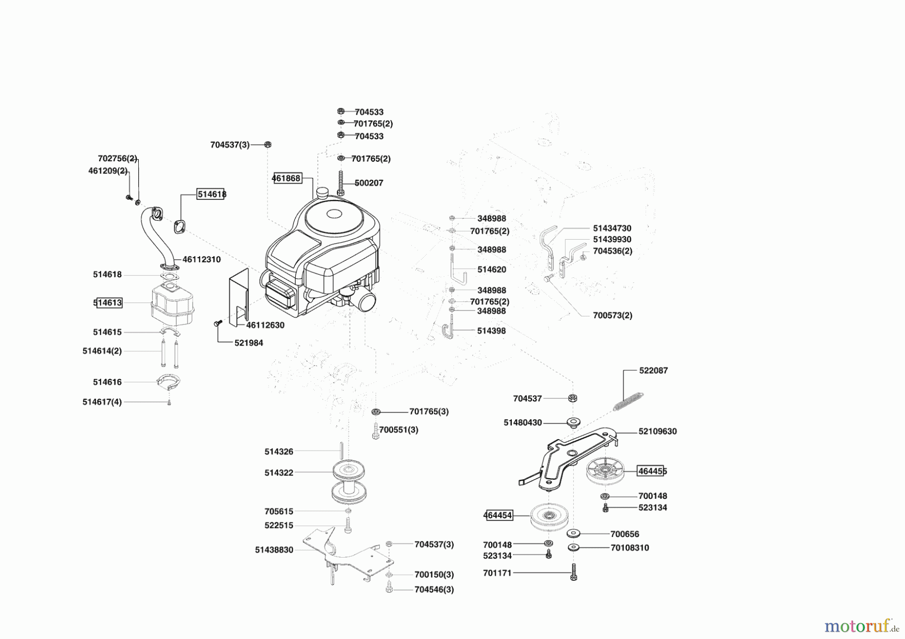
Hier finden Sie die Ersatzteilzeichnung für AL-KO Gartentechnik Rasentraktor Comfort T750 ab 02/2011 Seite 4. Wählen Sie das benötigte Ersatzteil aus der Ersatzteilliste Ihres AL-KO Gerätes aus und bestellen Sie einfach online. Viele AL-KO Ersatzteile halten wir ständig in unserem Lager für Sie bereit.


Qualitätsmanagement
Informieren Sie uns, wenn Sie einen Fehler gefunden haben.









