AL-KO COMFORT T16-92 HD-H Ersatzteile
COMFORT T16-92 HD-H Rasentraktor
Artikel Nummer: 118964 01012008

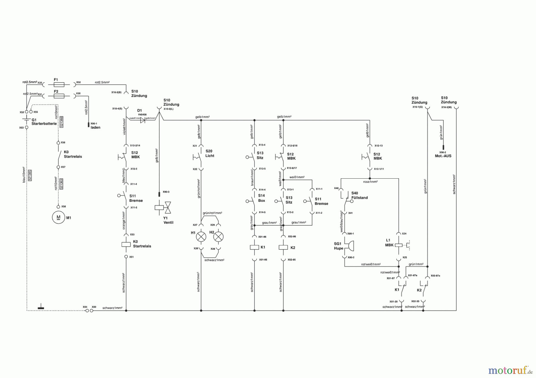
Hier finden Sie die Ersatzteilzeichnung für AL-KO Gartentechnik Rasentraktor COMFORT T16-92 HD-H 01/2008 - 09/2008 Seite 9. Wählen Sie das benötigte Ersatzteil aus der Ersatzteilliste Ihres AL-KO Gerätes aus und bestellen Sie einfach online. Viele AL-KO Ersatzteile halten wir ständig in unserem Lager für Sie bereit.
| BildNr | Artikel Nummer | Bezeichnung | |
| AL521363 | KABEL ROT STARTER/RELAIS | ||
| AL521365 | KABEL BLAU MASSELEITER | ||
| AL521366 | KABEL ROT BATTERIE/RELAIS | ||



