AL-KO T18-102 HD MARINA Ersatzteile
T18-102 HD MARINA Rasentraktor
Artikel Nummer: 119136 01022009

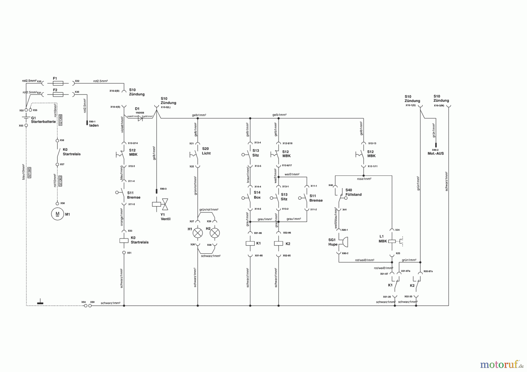
Hier finden Sie die Ersatzteilzeichnung für AL-KO Gartentechnik Rasentraktor T18-102 HD MARINA ab 02/2009 Seite 9. Wählen Sie das benötigte Ersatzteil aus der Ersatzteilliste Ihres AL-KO Gerätes aus und bestellen Sie einfach online. Viele AL-KO Ersatzteile halten wir ständig in unserem Lager für Sie bereit.
| BildNr | Artikel Nummer | Bezeichnung | |
| AL521363 | KABEL ROT STARTER/RELAIS | ||
| AL521365 | KABEL BLAU MASSELEITER | ||
| AL521366 | KABEL ROT BATTERIE/RELAIS | ||



