AL-KO 350-4 Ersatzteile
350-4 Motorhacken
Artikel Nummer: 112184 01022005

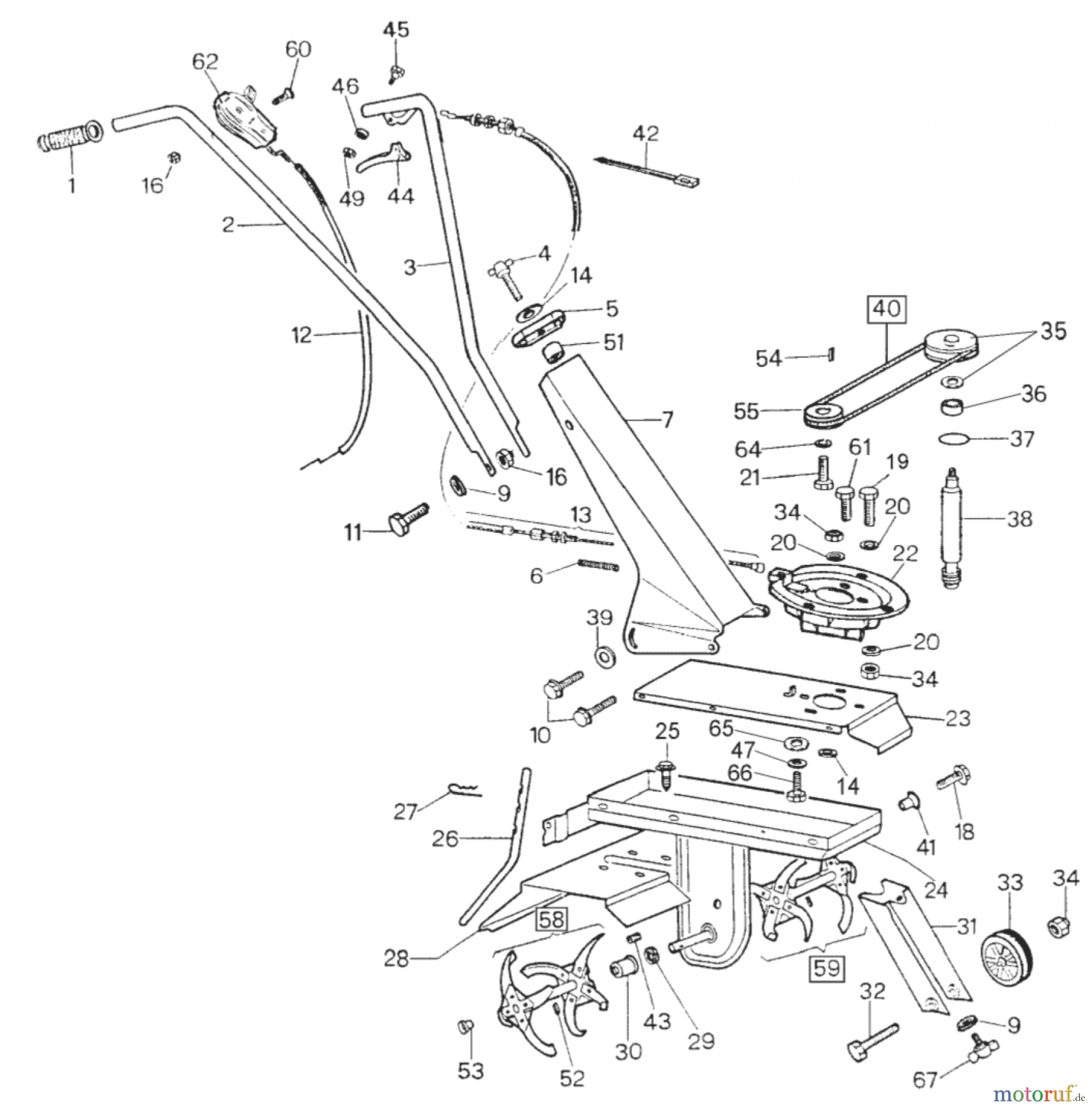
Hier finden Sie die Ersatzteilzeichnung für AL-KO Gartentechnik Motorhacken 350-4 ab 02/2005 Seite 1. Wählen Sie das benötigte Ersatzteil aus der Ersatzteilliste Ihres AL-KO Gerätes aus und bestellen Sie einfach online. Viele AL-KO Ersatzteile halten wir ständig in unserem Lager für Sie bereit.


Qualitätsmanagement
Informieren Sie uns, wenn Sie einen Fehler gefunden haben.











