AL-KO Classic 4.7 ER Ersatzteile
Classic 4.7 ER Elektrorasenmäher
Artikel Nummer: 121488 01012010

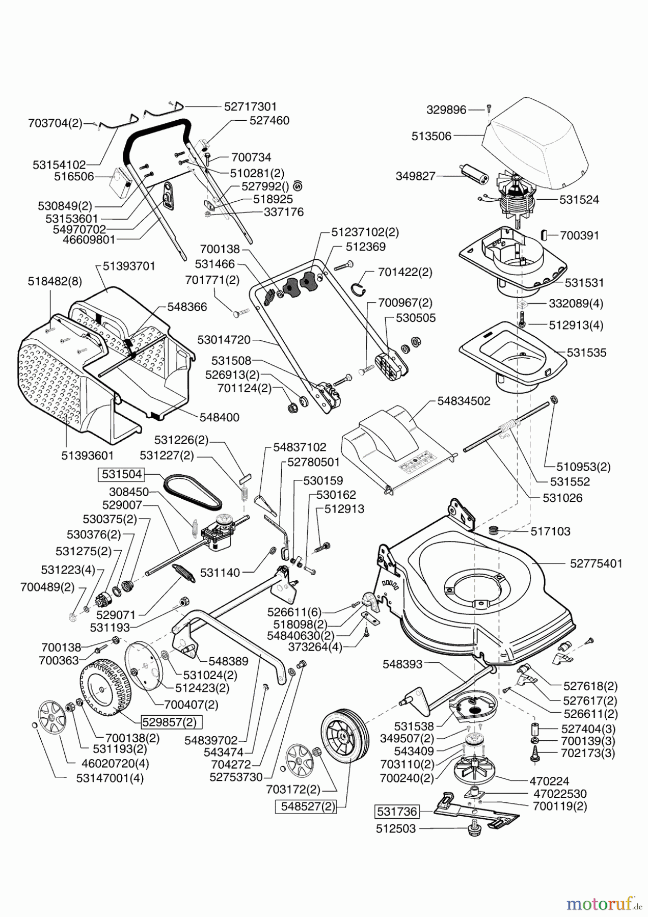
Hier finden Sie die Ersatzteilzeichnung für AL-KO Gartentechnik Elektrorasenmäher Classic 4.7 ER ab 01/2010 Seite 1. Wählen Sie das benötigte Ersatzteil aus der Ersatzteilliste Ihres AL-KO Gerätes aus und bestellen Sie einfach online. Viele AL-KO Ersatzteile halten wir ständig in unserem Lager für Sie bereit.


Qualitätsmanagement
Informieren Sie uns, wenn Sie einen Fehler gefunden haben.































