AL-KO VERDENA 46 B Ersatzteile
VERDENA 46 B Benzinrasenmäher
Artikel Nummer: 121332 01012007

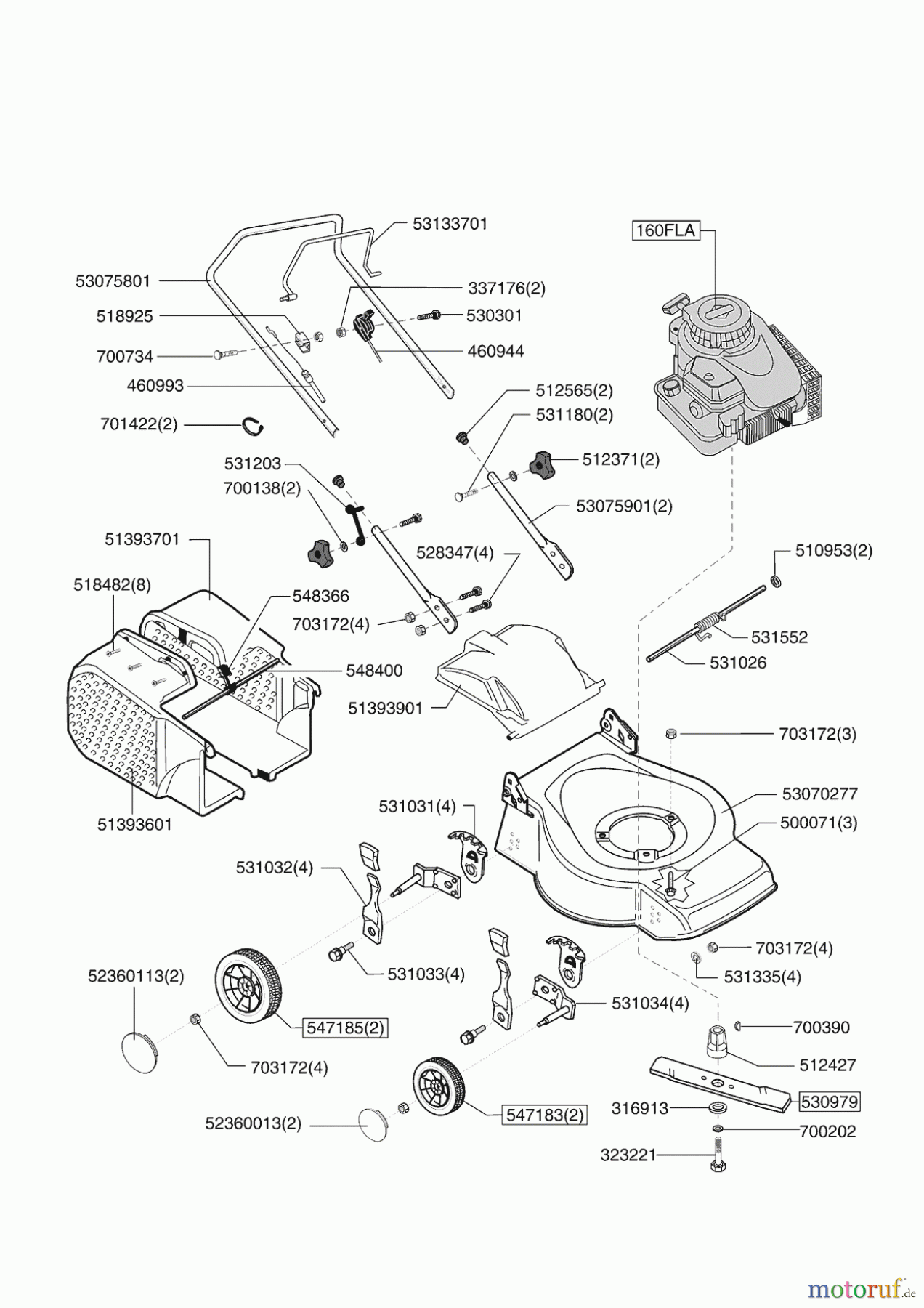
Hier finden Sie die Ersatzteilzeichnung für AL-KO Gartentechnik Benzinrasenmäher VERDENA 46 B 01/2007 - 05/2009 Seite 1. Wählen Sie das benötigte Ersatzteil aus der Ersatzteilliste Ihres AL-KO Gerätes aus und bestellen Sie einfach online. Viele AL-KO Ersatzteile halten wir ständig in unserem Lager für Sie bereit.


Qualitätsmanagement
Informieren Sie uns, wenn Sie einen Fehler gefunden haben.












