Robomow RC304U (Red) PRD7004YR (2017) Ersatzteile
PRD7004YR (2017) RC304U (Red)

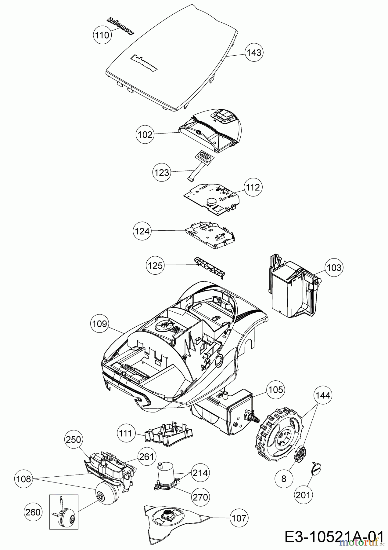
Hier finden Sie die Ersatzteilzeichnung für Robomow Mähroboter RC304U (Red) PRD7004YR (2017) Grundgerät. Wählen Sie das benötigte Ersatzteil aus der Ersatzteilliste Ihres Robomow Gerätes aus und bestellen Sie einfach online. Viele Robomow Ersatzteile halten wir ständig in unserem Lager für Sie bereit.


Qualitätsmanagement
Informieren Sie uns, wenn Sie einen Fehler gefunden haben.




