WOLF-Garten Expert 106.220 H 13BAA1VR650 (2018) Schaltplan Elektromagnetkupplung Ersatzteile
Schaltplan Elektromagnetkupplung 13BAA1VR650 (2018)

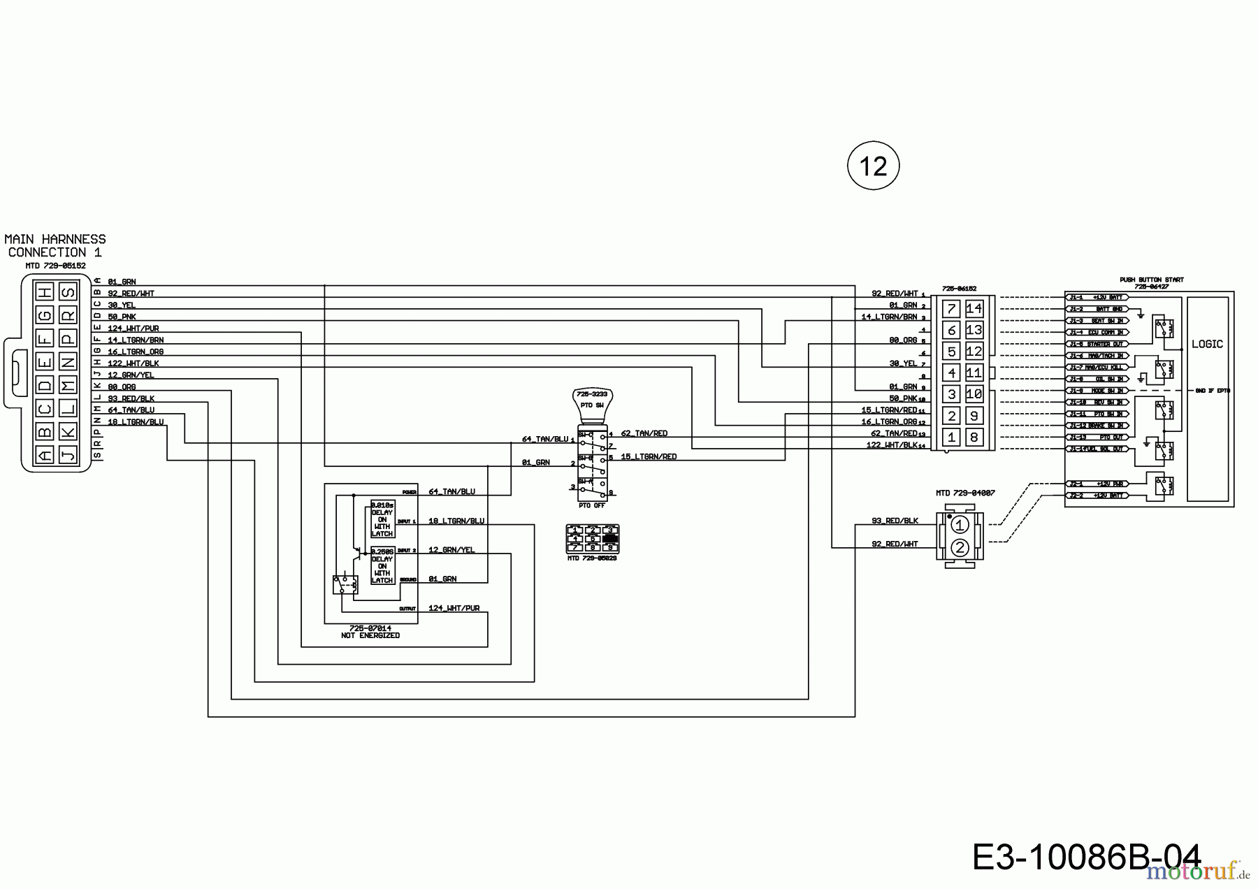
Hier finden Sie die Ersatzteilzeichnung für WOLF-Garten Expert Rasentraktoren 106.220 H 13BAA1VR650 (2018) Schaltplan Elektromagnetkupplung. Wählen Sie das benötigte Ersatzteil aus der Ersatzteilliste Ihres WOLF-Garten Expert Gerätes aus und bestellen Sie einfach online. Viele WOLF-Garten Expert Ersatzteile halten wir ständig in unserem Lager für Sie bereit.
| BildNr | Artikel Nummer | Bezeichnung | |
| 12 | 725-06994 | KABELBAUM:NX15RD:EPTO:PBS:DLR: | |


Qualitätsmanagement
Informieren Sie uns, wenn Sie einen Fehler gefunden haben.

