WOLF-Garten Expert Scooter Pro 13C226HD650 (2018) Schaltplan Ersatzteile
Schaltplan 13C226HD650 (2018)

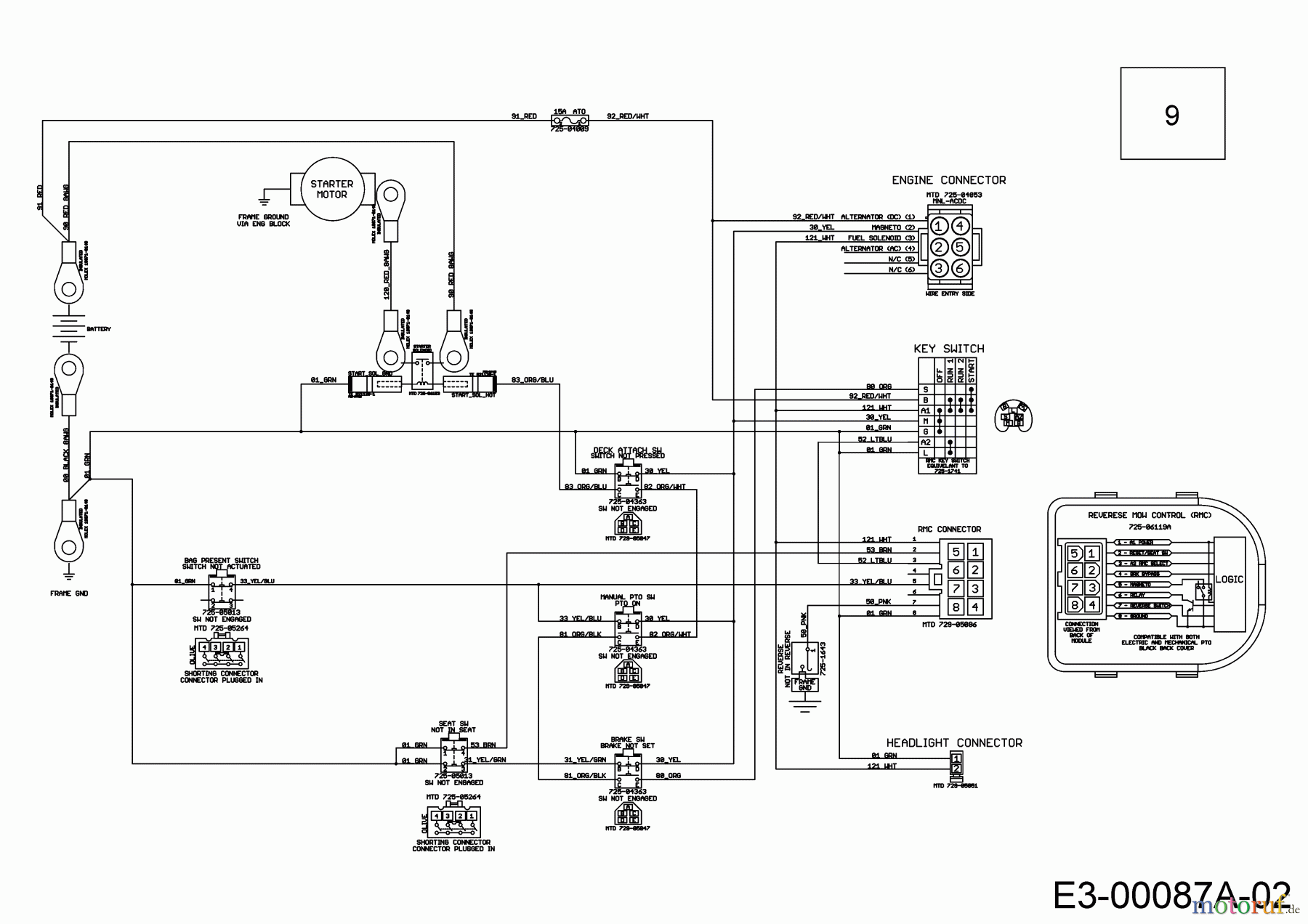
Hier finden Sie die Ersatzteilzeichnung für WOLF-Garten Expert Rasentraktoren Scooter Pro 13C226HD650 (2018) Schaltplan. Wählen Sie das benötigte Ersatzteil aus der Ersatzteilliste Ihres WOLF-Garten Expert Gerätes aus und bestellen Sie einfach online. Viele WOLF-Garten Expert Ersatzteile halten wir ständig in unserem Lager für Sie bereit.
| BildNr | Artikel Nummer | Bezeichnung | |
| 9 | 725-07584 | KABELBAUM:CR12:RMC:SOL:HDLT: | |


Qualitätsmanagement
Informieren Sie uns, wenn Sie einen Fehler gefunden haben.

