WOLF-Garten Expert Scooter Pro 13C226HD650 (2018) Frontgewicht, Verkleidungen Ersatzteile
Frontgewicht, Verkleidungen 13C226HD650 (2018)

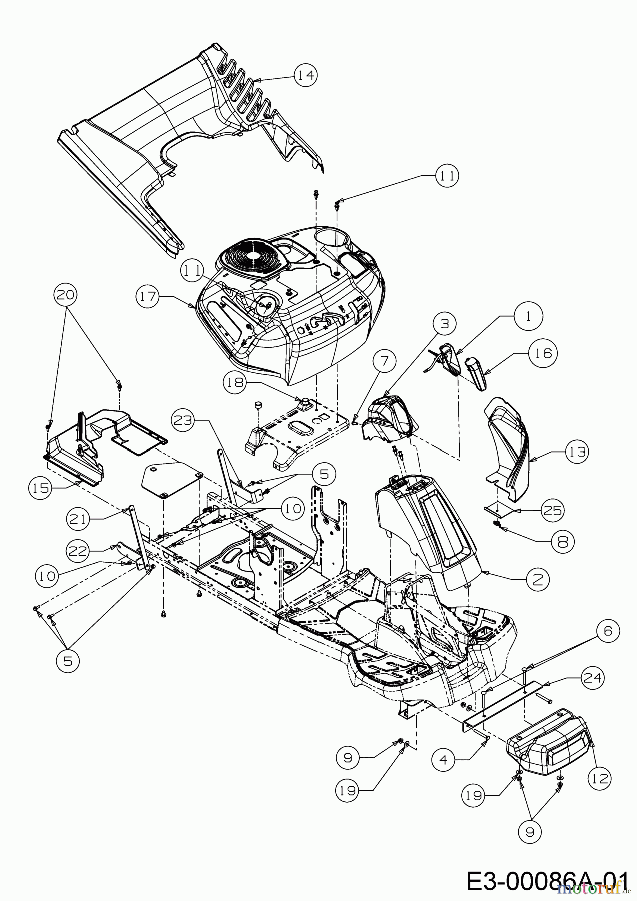
Hier finden Sie die Ersatzteilzeichnung für WOLF-Garten Expert Rasentraktoren Scooter Pro 13C226HD650 (2018) Frontgewicht, Verkleidungen. Wählen Sie das benötigte Ersatzteil aus der Ersatzteilliste Ihres WOLF-Garten Expert Gerätes aus und bestellen Sie einfach online. Viele WOLF-Garten Expert Ersatzteile halten wir ständig in unserem Lager für Sie bereit.


Qualitätsmanagement
Informieren Sie uns, wenn Sie einen Fehler gefunden haben.








