WOLF-Garten Expert Expert 53 B ES V 12ARZA9B650 (2018) Elektroteile Ersatzteile
Elektroteile 12ARZA9B650 (2018)

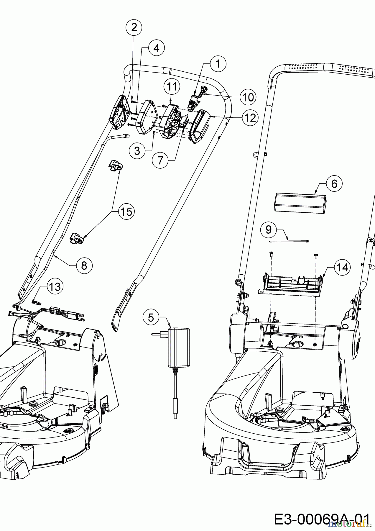
Hier finden Sie die Ersatzteilzeichnung für WOLF-Garten Expert Motormäher mit Antrieb Expert 53 B ES V 12ARZA9B650 (2018) Elektroteile. Wählen Sie das benötigte Ersatzteil aus der Ersatzteilliste Ihres WOLF-Garten Expert Gerätes aus und bestellen Sie einfach online. Viele WOLF-Garten Expert Ersatzteile halten wir ständig in unserem Lager für Sie bereit.






