WOLF-Garten Expert Expert 46 W ES SP 12ACYAS7650 (2018) Getriebe, Keilriemen, Variator Ersatzteile
Getriebe, Keilriemen, Variator 12ACYAS7650 (2018)

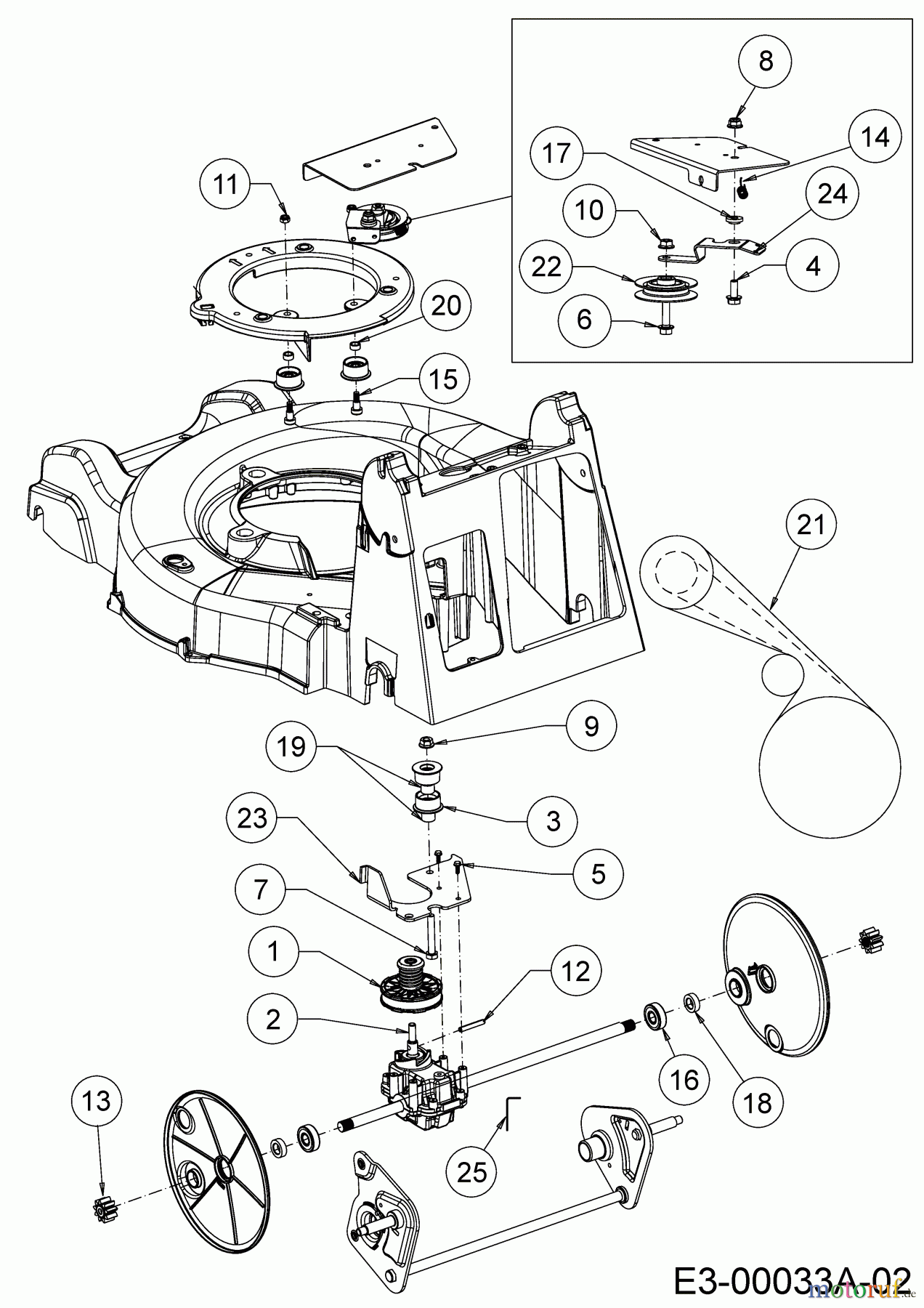
Hier finden Sie die Ersatzteilzeichnung für WOLF-Garten Expert Motormäher mit Antrieb Expert 46 W ES SP 12ACYAS7650 (2018) Getriebe, Keilriemen, Variator. Wählen Sie das benötigte Ersatzteil aus der Ersatzteilliste Ihres WOLF-Garten Expert Gerätes aus und bestellen Sie einfach online. Viele WOLF-Garten Expert Ersatzteile halten wir ständig in unserem Lager für Sie bereit.


Qualitätsmanagement
Informieren Sie uns, wenn Sie einen Fehler gefunden haben.





