WOLF-Garten Expert Expert 46 B S 12A-YA5L650 (2018) Leitstück hinten, Mähwerksgehäuse, Stange für Heckklappe, Seitenverkleidungen Ersatzteile
Leitstück hinten, Mähwerksgehäuse, Stange für Heckklappe, Seitenverkleidungen 12A-YA5L650 (2018)

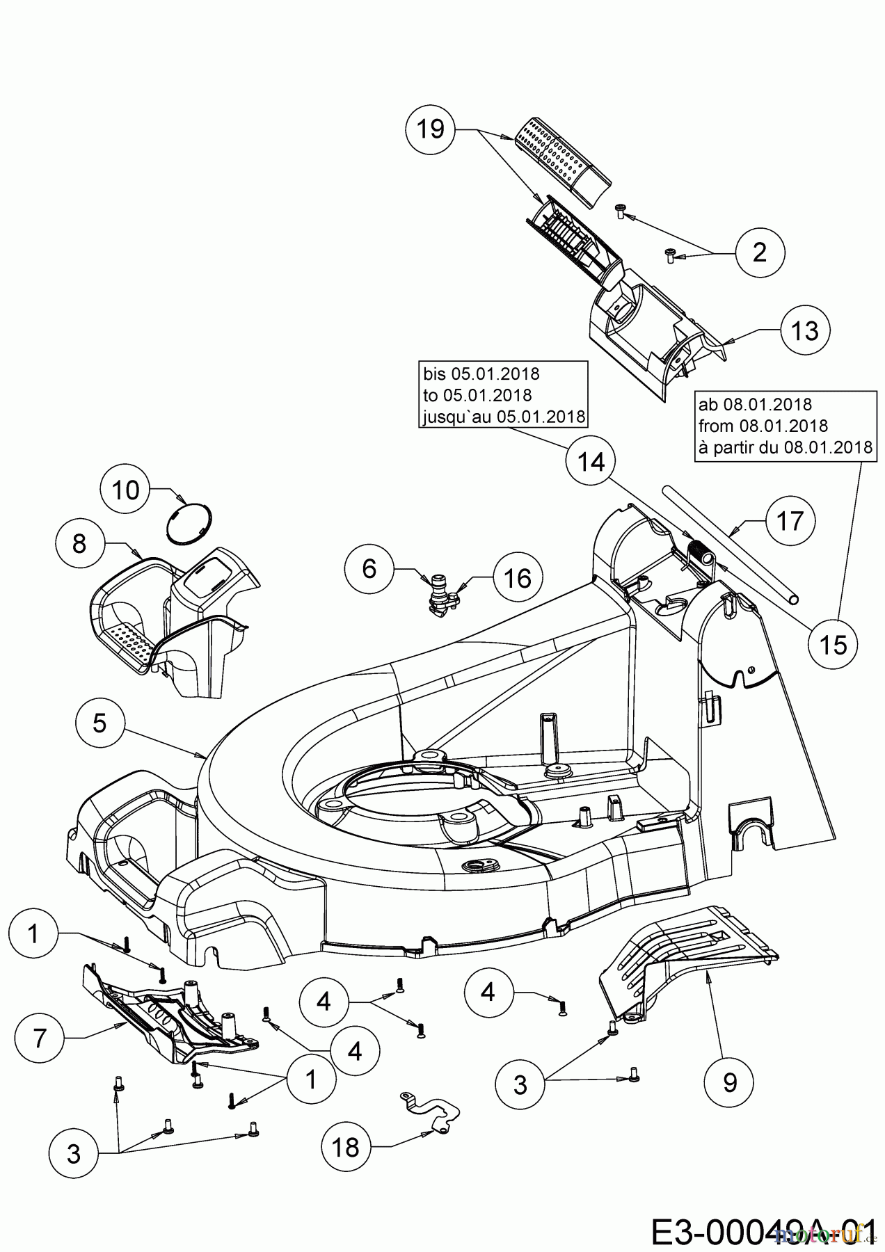
Hier finden Sie die Ersatzteilzeichnung für WOLF-Garten Expert Motormäher mit Antrieb Expert 46 B S 12A-YA5L650 (2018) Leitstück hinten, Mähwerksgehäuse, Stange für Heckklappe, Seitenverkleidungen. Wählen Sie das benötigte Ersatzteil aus der Ersatzteilliste Ihres WOLF-Garten Expert Gerätes aus und bestellen Sie einfach online. Viele WOLF-Garten Expert Ersatzteile halten wir ständig in unserem Lager für Sie bereit.


Qualitätsmanagement
Informieren Sie uns, wenn Sie einen Fehler gefunden haben.


