WOLF-Garten Expert Expert 46 BA V HW 12ABTV5E650 (2018) Achsen, Höhenverstellung Ersatzteile
Achsen, Höhenverstellung 12ABTV5E650 (2018)

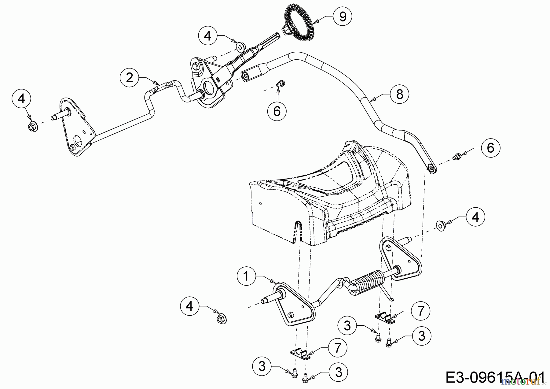
Hier finden Sie die Ersatzteilzeichnung für WOLF-Garten Expert Motormäher mit Antrieb Expert 46 BA V HW 12ABTV5E650 (2018) Achsen, Höhenverstellung. Wählen Sie das benötigte Ersatzteil aus der Ersatzteilliste Ihres WOLF-Garten Expert Gerätes aus und bestellen Sie einfach online. Viele WOLF-Garten Expert Ersatzteile halten wir ständig in unserem Lager für Sie bereit.


Qualitätsmanagement
 Informieren Sie uns, wenn Sie einen Fehler gefunden haben.





