WOLF-Garten Expert Expert 46 BA V 12BVK15E650 (2017) Achsen, Höhenverstellung Ersatzteile
Achsen, Höhenverstellung 12BVK15E650 (2017)

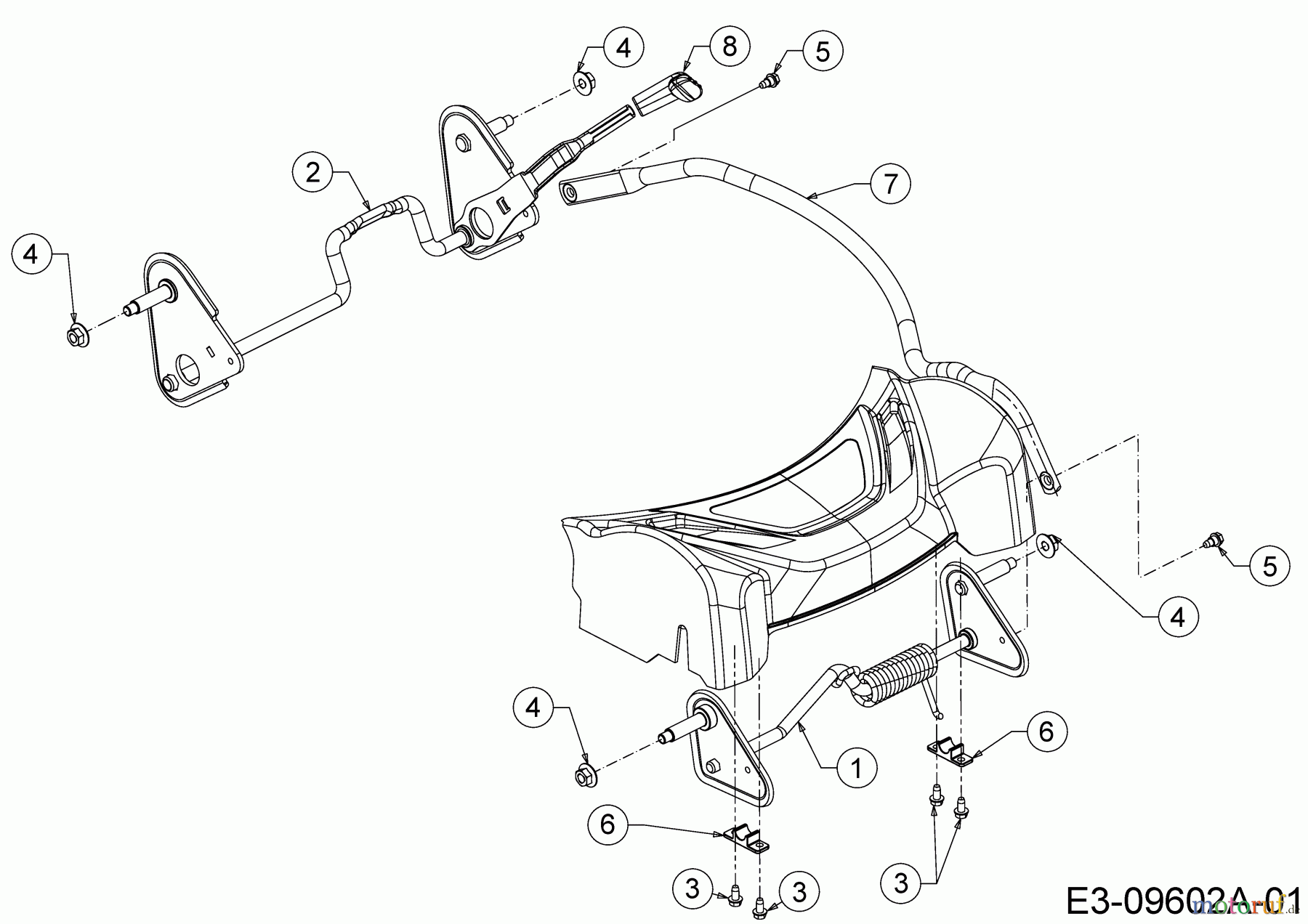
Hier finden Sie die Ersatzteilzeichnung für WOLF-Garten Expert Motormäher mit Antrieb Expert 46 BA V 12BVK15E650 (2017) Achsen, Höhenverstellung. Wählen Sie das benötigte Ersatzteil aus der Ersatzteilliste Ihres WOLF-Garten Expert Gerätes aus und bestellen Sie einfach online. Viele WOLF-Garten Expert Ersatzteile halten wir ständig in unserem Lager für Sie bereit.


Qualitätsmanagement
Informieren Sie uns, wenn Sie einen Fehler gefunden haben.





