MTD-Motoren 9Q78XU 752Z9Q78XU (2018) Kolben, Kurbelwelle, Nockenwelle, Pleuel Ersatzteile
Kolben, Kurbelwelle, Nockenwelle, Pleuel 752Z9Q78XU (2018)

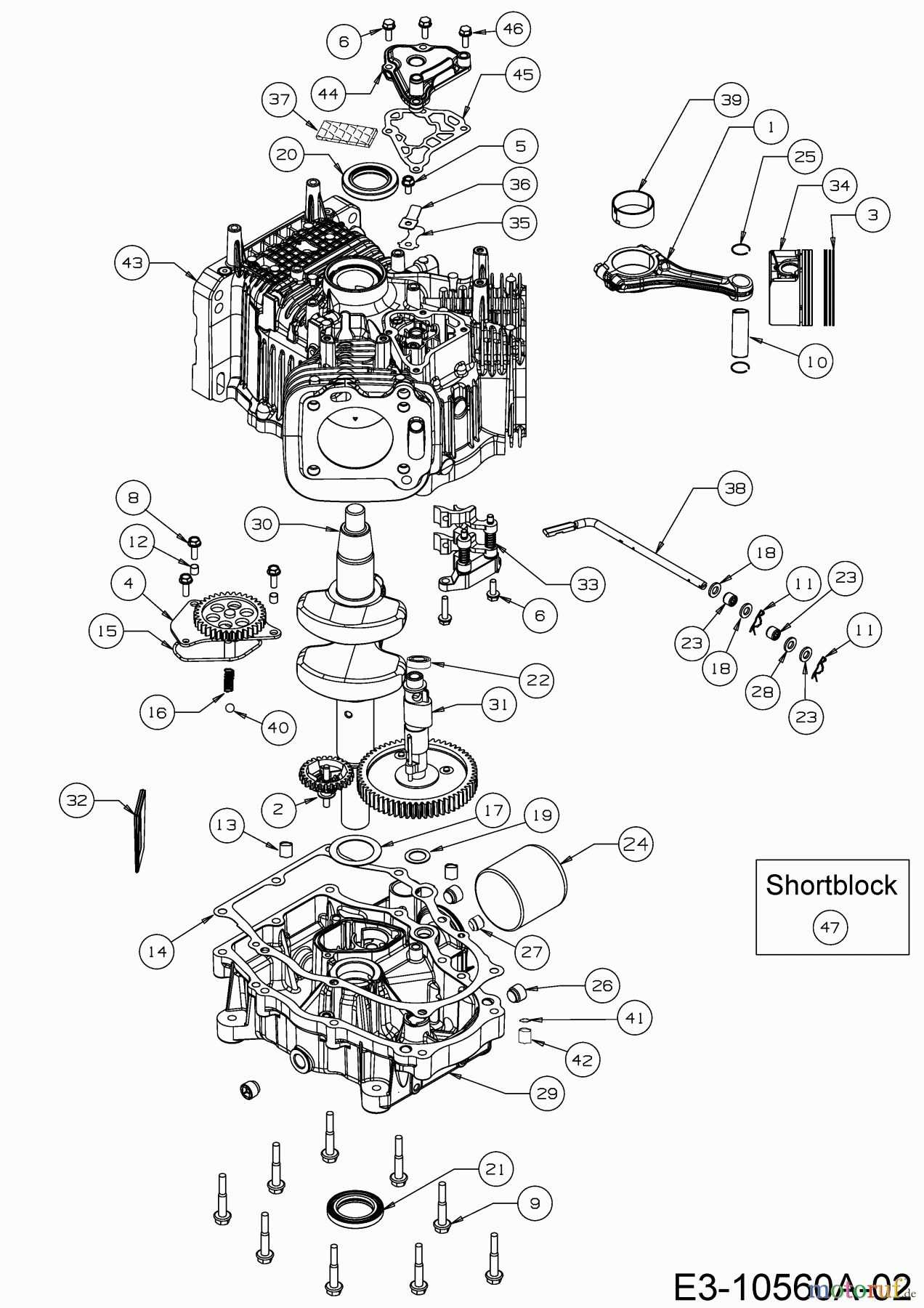
Hier finden Sie die Ersatzteilzeichnung für MTD-Motoren Vertikal 9Q78XU 752Z9Q78XU (2018) Kolben, Kurbelwelle, Nockenwelle, Pleuel. Wählen Sie das benötigte Ersatzteil aus der Ersatzteilliste Ihres MTD-Motoren Gerätes aus und bestellen Sie einfach online. Viele MTD-Motoren Ersatzteile halten wir ständig in unserem Lager für Sie bereit.


Qualitätsmanagement
Informieren Sie uns, wenn Sie einen Fehler gefunden haben.


