MTD-Motoren 8X90KUA 752Z8X90KUA (2017) Kurbelwelle, Nockenwelle, Pleuel, Regler Ersatzteile
Kurbelwelle, Nockenwelle, Pleuel, Regler 752Z8X90KUA (2017)

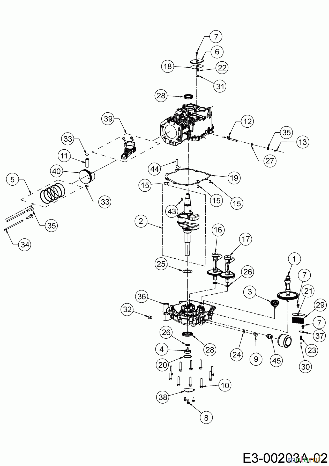
Hier finden Sie die Ersatzteilzeichnung für MTD-Motoren Vertikal 8X90KUA 752Z8X90KUA (2017) Kurbelwelle, Nockenwelle, Pleuel, Regler. Wählen Sie das benötigte Ersatzteil aus der Ersatzteilliste Ihres MTD-Motoren Gerätes aus und bestellen Sie einfach online. Viele MTD-Motoren Ersatzteile halten wir ständig in unserem Lager für Sie bereit.


Qualitätsmanagement
Informieren Sie uns, wenn Sie einen Fehler gefunden haben.

