MTD-Motoren 5X70RH 752Z5X70RH (2017) Reglerhebel, Ventildeckel Ersatzteile
Reglerhebel, Ventildeckel 752Z5X70RH (2017)

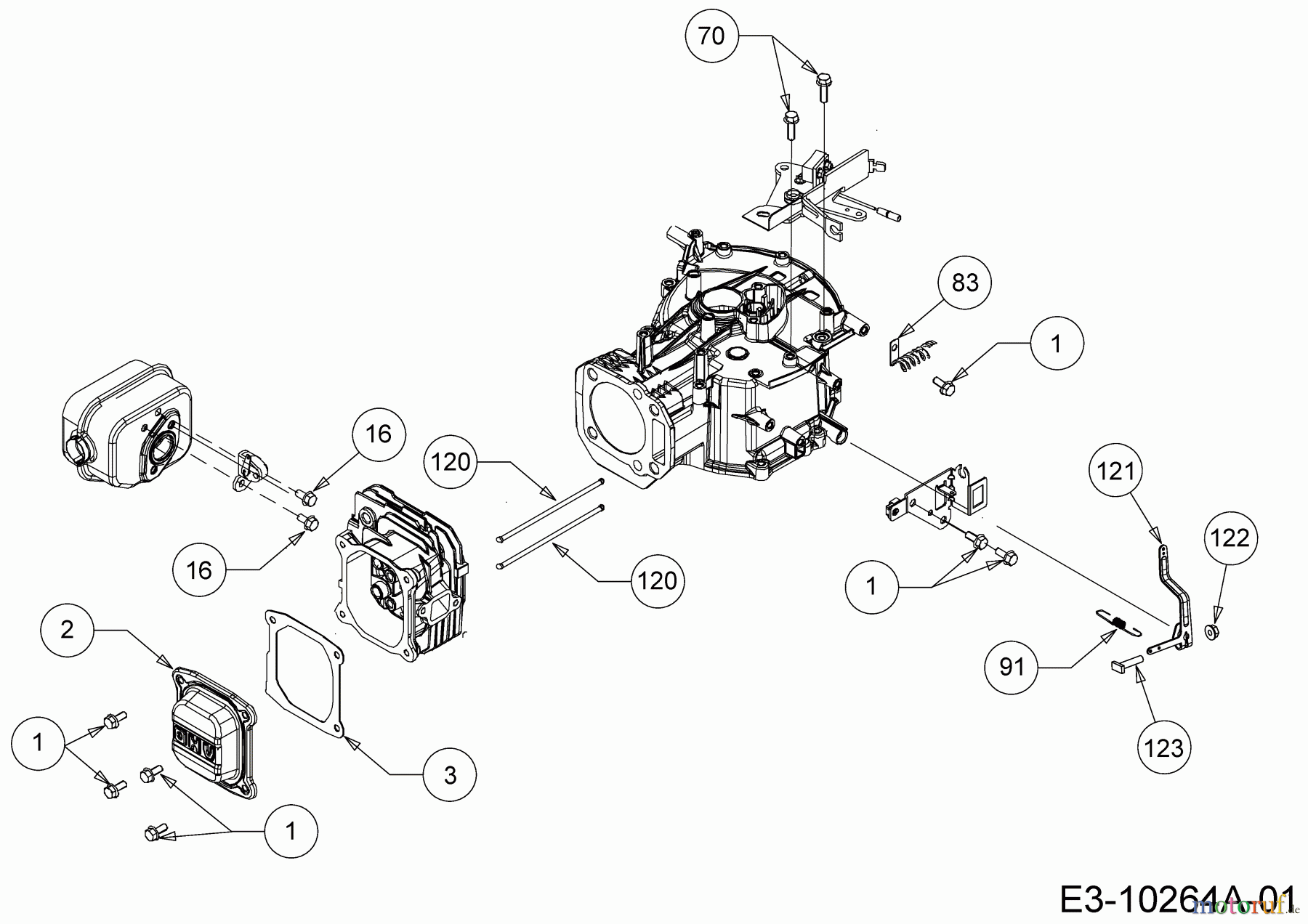
Hier finden Sie die Ersatzteilzeichnung für MTD-Motoren Vertikal 5X70RH 752Z5X70RH (2017) Reglerhebel, Ventildeckel. Wählen Sie das benötigte Ersatzteil aus der Ersatzteilliste Ihres MTD-Motoren Gerätes aus und bestellen Sie einfach online. Viele MTD-Motoren Ersatzteile halten wir ständig in unserem Lager für Sie bereit.


Qualitätsmanagement
Informieren Sie uns, wenn Sie einen Fehler gefunden haben.

