MTD-Motoren 7X70JW 752Z7X70JW (2017) Rumpfmotor Ersatzteile
Rumpfmotor 752Z7X70JW (2017)

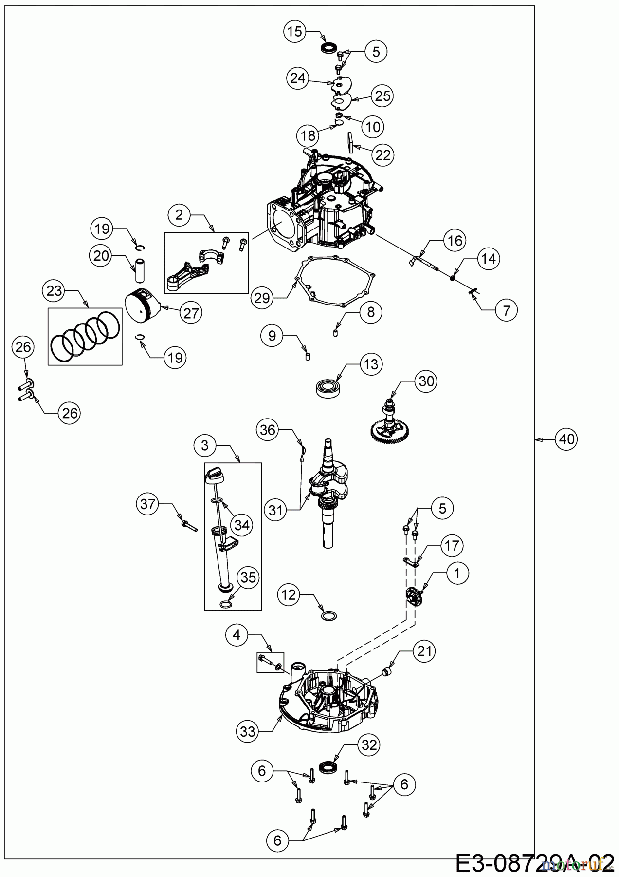
Hier finden Sie die Ersatzteilzeichnung für MTD-Motoren Vertikal 7X70JW 752Z7X70JW (2017) Rumpfmotor. Wählen Sie das benötigte Ersatzteil aus der Ersatzteilliste Ihres MTD-Motoren Gerätes aus und bestellen Sie einfach online. Viele MTD-Motoren Ersatzteile halten wir ständig in unserem Lager für Sie bereit.


Qualitätsmanagement
Informieren Sie uns, wenn Sie einen Fehler gefunden haben.


