MTD-Motoren 1X65CU 752Z1X65CU (2015) Rumpfmotor Ersatzteile
Rumpfmotor 752Z1X65CU (2015)

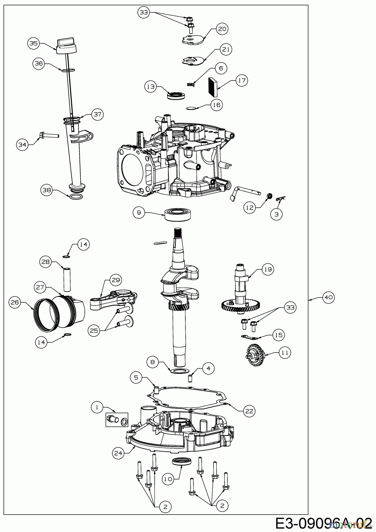
Hier finden Sie die Ersatzteilzeichnung für MTD-Motoren Vertikal 1X65CU 752Z1X65CU (2015) Rumpfmotor. Wählen Sie das benötigte Ersatzteil aus der Ersatzteilliste Ihres MTD-Motoren Gerätes aus und bestellen Sie einfach online. Viele MTD-Motoren Ersatzteile halten wir ständig in unserem Lager für Sie bereit.


Qualitätsmanagement
Informieren Sie uns, wenn Sie einen Fehler gefunden haben.

