MTD-Motoren 4P90JHD 752Z4P90JHD (2017) Luftfilter, Motorhaube, Reglergestänge Ersatzteile
Luftfilter, Motorhaube, Reglergestänge 752Z4P90JHD (2017)

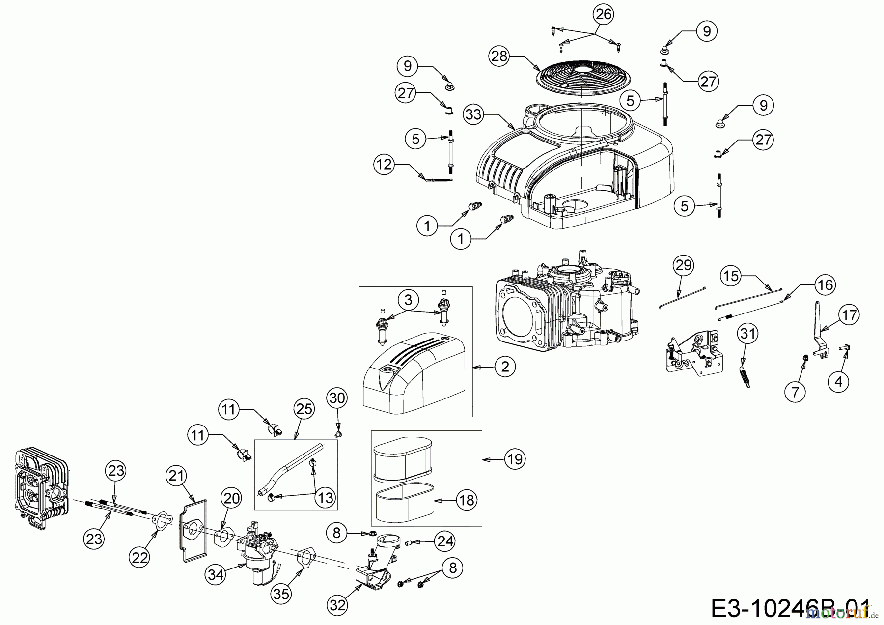
Hier finden Sie die Ersatzteilzeichnung für MTD-Motoren Vertikal 4P90JHD 752Z4P90JHD (2017) Luftfilter, Motorhaube, Reglergestänge. Wählen Sie das benötigte Ersatzteil aus der Ersatzteilliste Ihres MTD-Motoren Gerätes aus und bestellen Sie einfach online. Viele MTD-Motoren Ersatzteile halten wir ständig in unserem Lager für Sie bereit.


Qualitätsmanagement
Informieren Sie uns, wenn Sie einen Fehler gefunden haben.





