MTD-Motoren 1X65RH 752Z1X65RH (2018) Kolben, Kurbelwelle, Nockenwelle, Pleuel Ersatzteile
Kolben, Kurbelwelle, Nockenwelle, Pleuel 752Z1X65RH (2018)

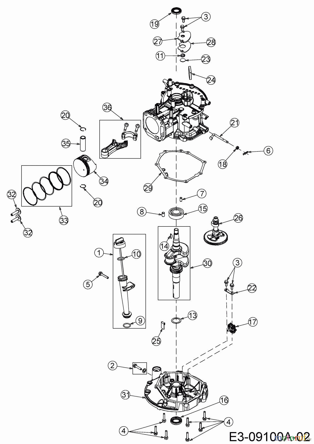
Hier finden Sie die Ersatzteilzeichnung für MTD-Motoren Vertikal 1X65RH 752Z1X65RH (2018) Kolben, Kurbelwelle, Nockenwelle, Pleuel. Wählen Sie das benötigte Ersatzteil aus der Ersatzteilliste Ihres MTD-Motoren Gerätes aus und bestellen Sie einfach online. Viele MTD-Motoren Ersatzteile halten wir ständig in unserem Lager für Sie bereit.


Qualitätsmanagement
Informieren Sie uns, wenn Sie einen Fehler gefunden haben.

