Gartenland GL 17.5/106 H 13A8A1KR640 (2018) Elektroteile Ersatzteile
Elektroteile 13A8A1KR640 (2018)

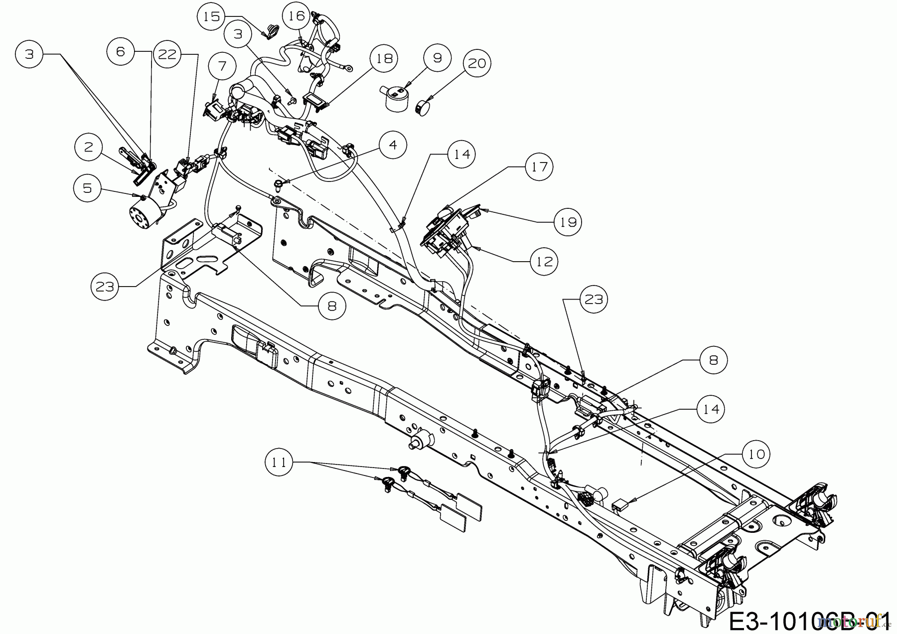
Hier finden Sie die Ersatzteilzeichnung für Gartenland Rasentraktoren GL 17.5/106 H 13A8A1KR640 (2018) Elektroteile. Wählen Sie das benötigte Ersatzteil aus der Ersatzteilliste Ihres Gartenland Gerätes aus und bestellen Sie einfach online. Viele Gartenland Ersatzteile halten wir ständig in unserem Lager für Sie bereit.


Qualitätsmanagement
Informieren Sie uns, wenn Sie einen Fehler gefunden haben.





