Black Edition 180-92 TWIN H 13HT71GE615 (2016) Motorhaube G-Style Ersatzteile
Motorhaube G-Style 13HT71GE615 (2016)

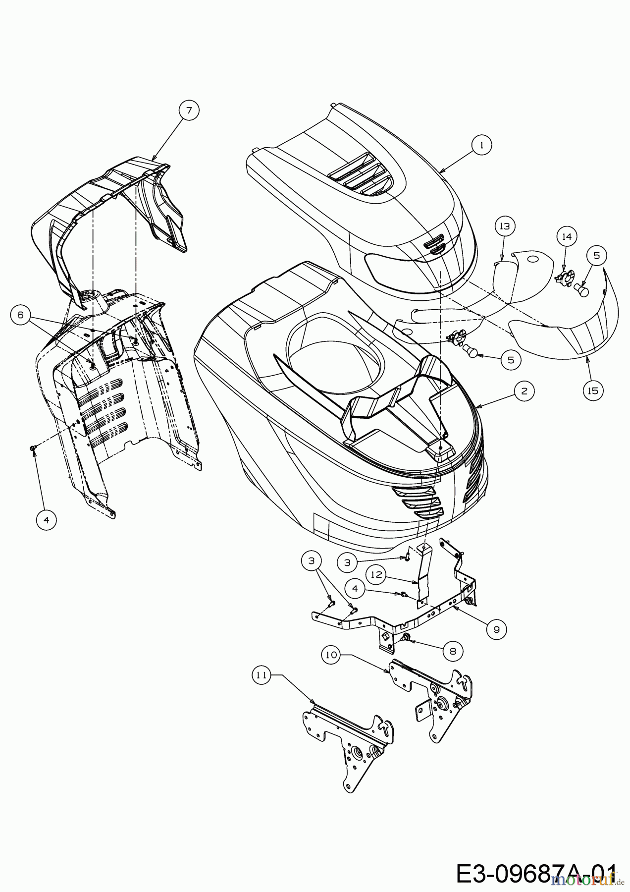
Hier finden Sie die Ersatzteilzeichnung für Black Edition Rasentraktoren 180-92 TWIN H 13HT71GE615 (2016) Motorhaube G-Style. Wählen Sie das benötigte Ersatzteil aus der Ersatzteilliste Ihres Black Edition Gerätes aus und bestellen Sie einfach online. Viele Black Edition Ersatzteile halten wir ständig in unserem Lager für Sie bereit.


Qualitätsmanagement
Informieren Sie uns, wenn Sie einen Fehler gefunden haben.






