Troy-Bilt Super Bronco GT 54 FAB 14A7A3KA066 (2018) Schaltplan Armaturenbrett Ersatzteile
Schaltplan Armaturenbrett 14A7A3KA066 (2018)

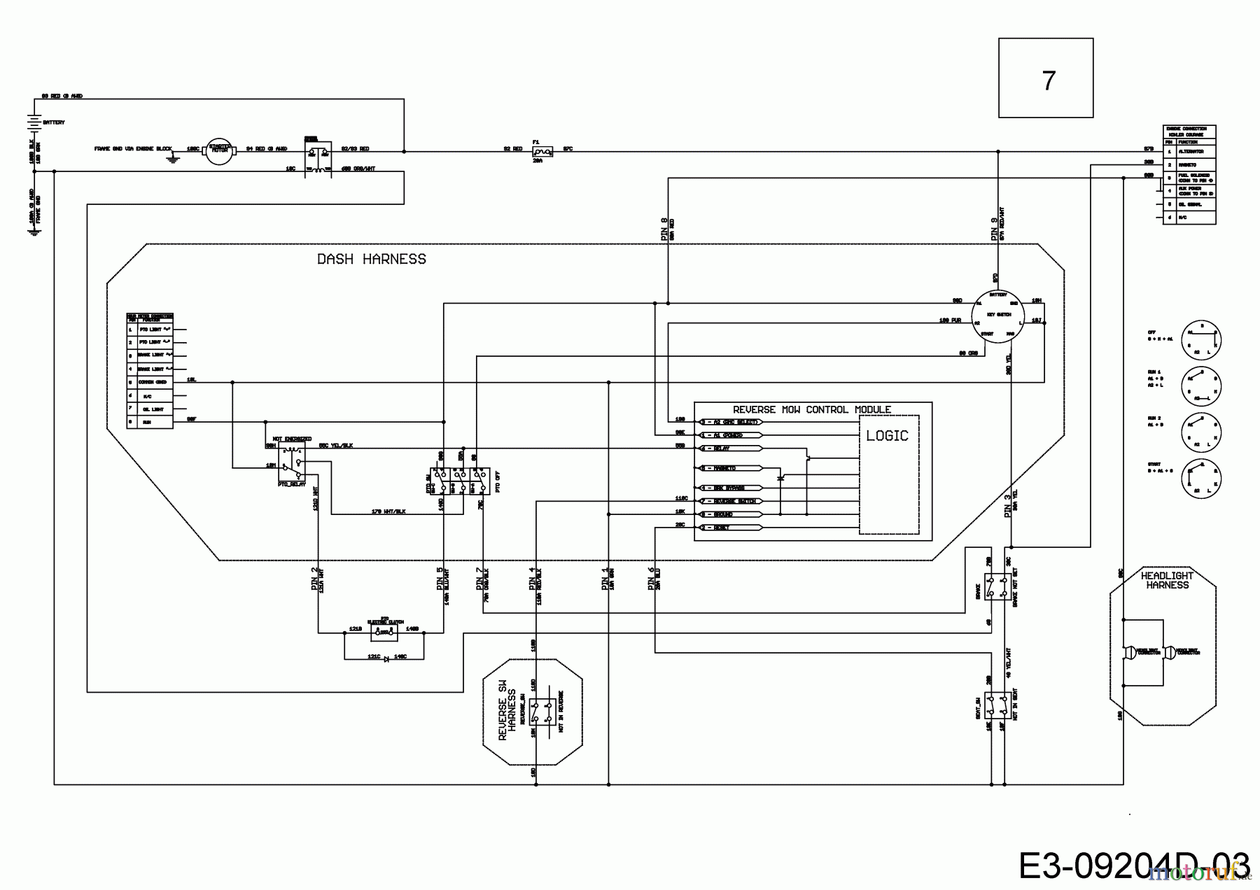
Hier finden Sie die Ersatzteilzeichnung für Troy-Bilt Gartentraktoren Super Bronco GT 54 FAB 14A7A3KA066 (2018) Schaltplan Armaturenbrett. Wählen Sie das benötigte Ersatzteil aus der Ersatzteilliste Ihres Troy-Bilt Gerätes aus und bestellen Sie einfach online. Viele Troy-Bilt Ersatzteile halten wir ständig in unserem Lager für Sie bereit.
| BildNr | Artikel Nummer | Bezeichnung | |
| 7 | 725-06129 | KABELBAUM:ARMATURENBRETT:EPTO | |


Qualitätsmanagement
Informieren Sie uns, wenn Sie einen Fehler gefunden haben.

