Troy-Bilt Pony 42 13AD77KS309 (2018) Schaltplan Ersatzteile
Schaltplan 13AD77KS309 (2018)

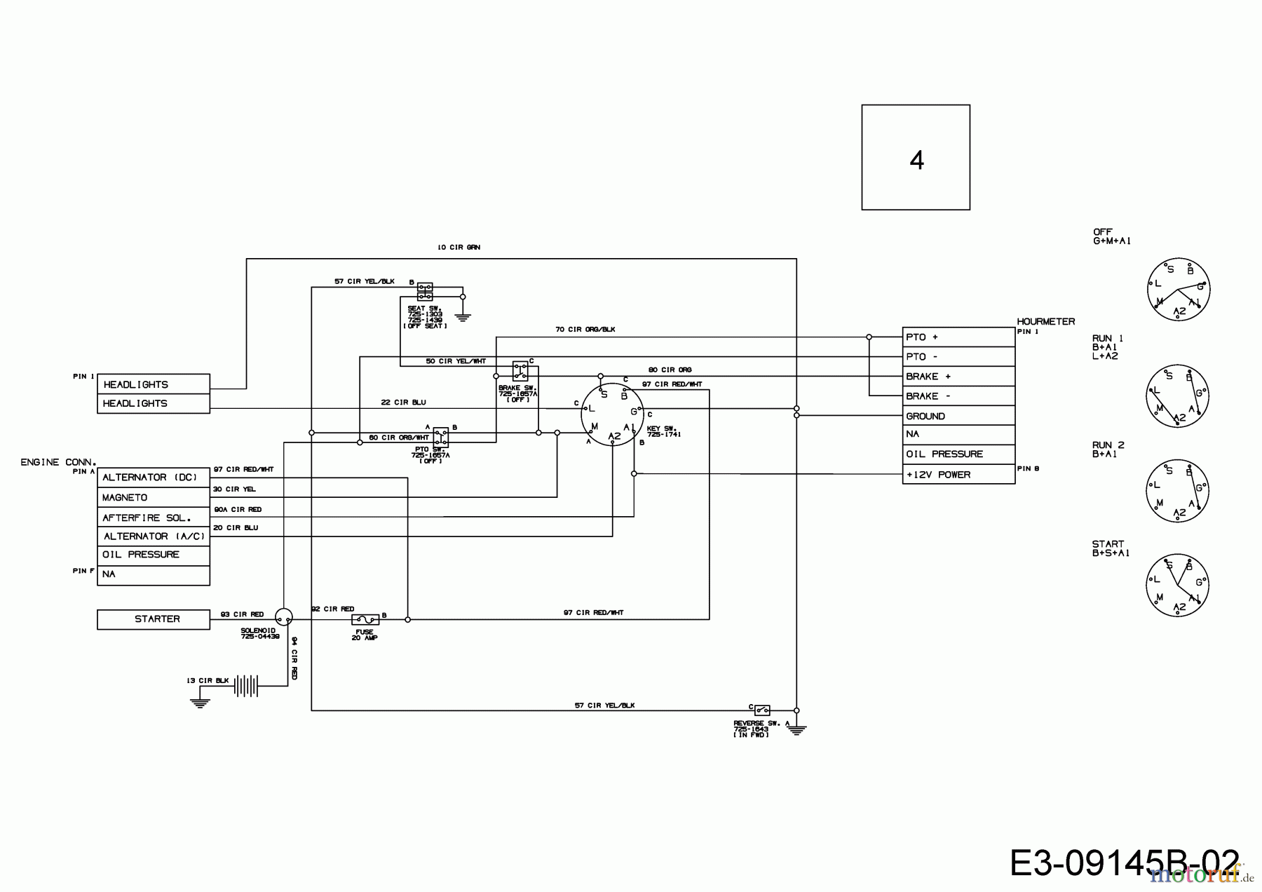
Hier finden Sie die Ersatzteilzeichnung für Troy-Bilt Rasentraktoren Pony 42 13AD77KS309 (2018) Schaltplan. Wählen Sie das benötigte Ersatzteil aus der Ersatzteilliste Ihres Troy-Bilt Gerätes aus und bestellen Sie einfach online. Viele Troy-Bilt Ersatzteile halten wir ständig in unserem Lager für Sie bereit.
| BildNr | Artikel Nummer | Bezeichnung | |
| 4 | 725-05320B | KABELBAUM:LT-5:B&S:HL:4NRMC:SM | |



