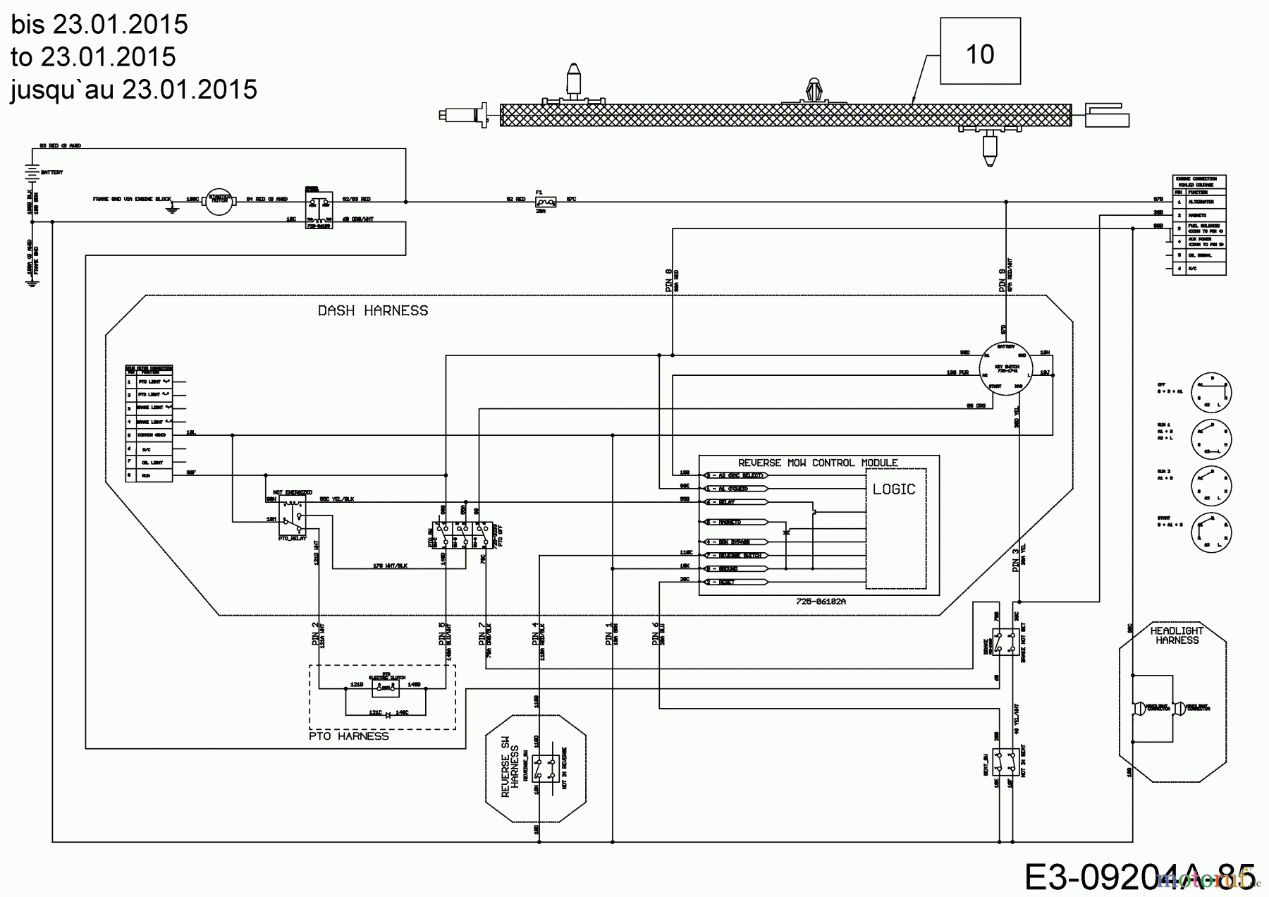
Troy-Bilt TB 2042 13APA1KS309 (2015) Schaltplan Elektromagnetkupplung bis 23.01.2015 Ersatzteile
Schaltplan Elektromagnetkupplung bis 23.01.2015 13APA1KS309 (2015)

Hier finden Sie die Ersatzteilzeichnung für Troy-Bilt Rasentraktoren TB 2042 13APA1KS309 (2015) Schaltplan Elektromagnetkupplung bis 23.01.2015. Wählen Sie das benötigte Ersatzteil aus der Ersatzteilliste Ihres Troy-Bilt Gerätes aus und bestellen Sie einfach online. Viele Troy-Bilt Ersatzteile halten wir ständig in unserem Lager für Sie bereit.
| BildNr | Artikel Nummer | Bezeichnung | |
| 10 | 725-06173 | KABELBAUM (DRAHTBRÜCKE) EPTO | |



