Troy-Bilt Horse XP 46 13AX79KT309 (2017) Motorzubehör Ersatzteile
Motorzubehör 13AX79KT309 (2017)

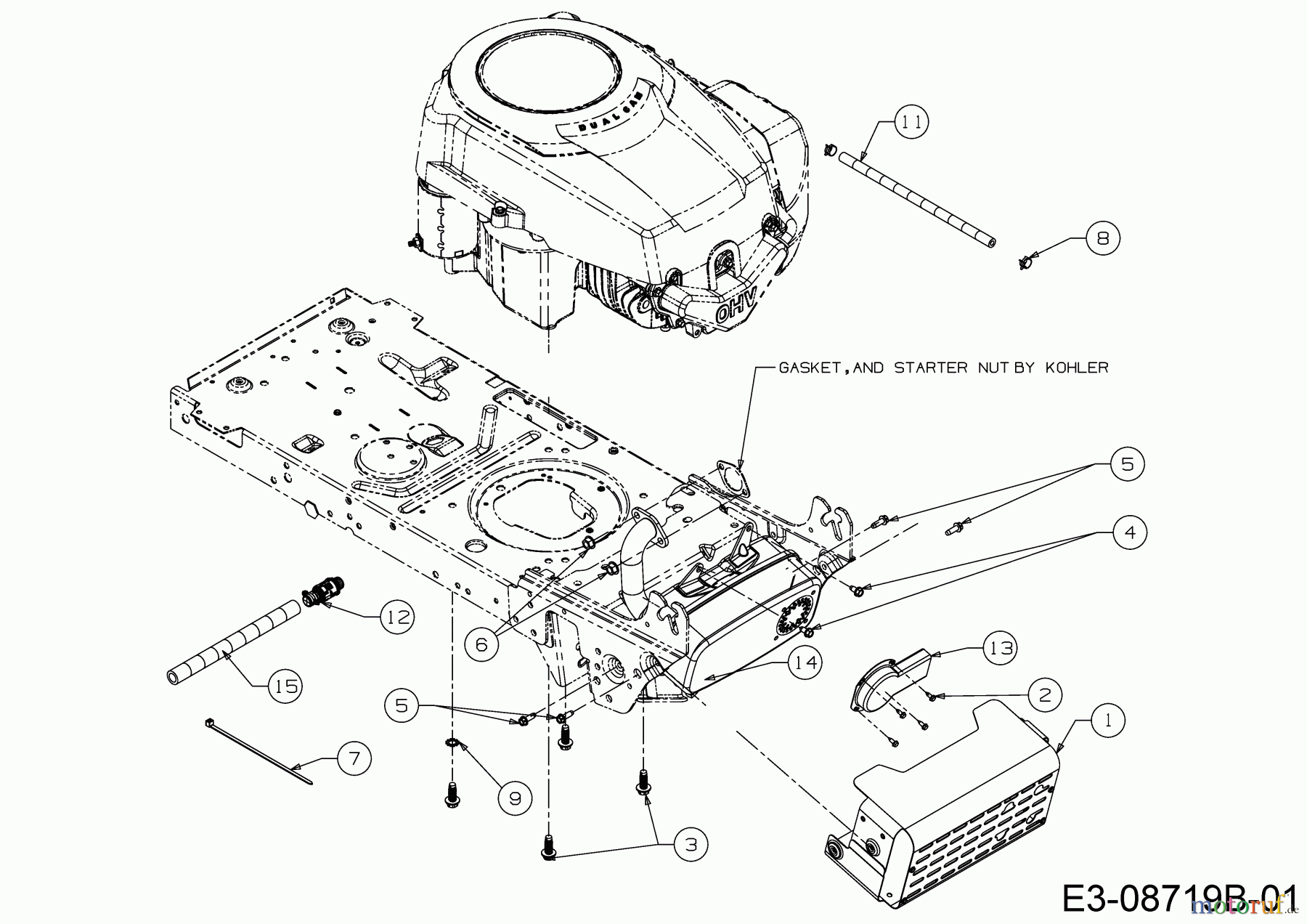
Hier finden Sie die Ersatzteilzeichnung für Troy-Bilt Rasentraktoren Horse XP 46 13AX79KT309 (2017) Motorzubehör. Wählen Sie das benötigte Ersatzteil aus der Ersatzteilliste Ihres Troy-Bilt Gerätes aus und bestellen Sie einfach online. Viele Troy-Bilt Ersatzteile halten wir ständig in unserem Lager für Sie bereit.


Qualitätsmanagement
Informieren Sie uns, wenn Sie einen Fehler gefunden haben.






