Troy-Bilt Big Red 20" 21AE682W766 (2018) Schaltplan Ersatzteile
Schaltplan 21AE682W766 (2018)

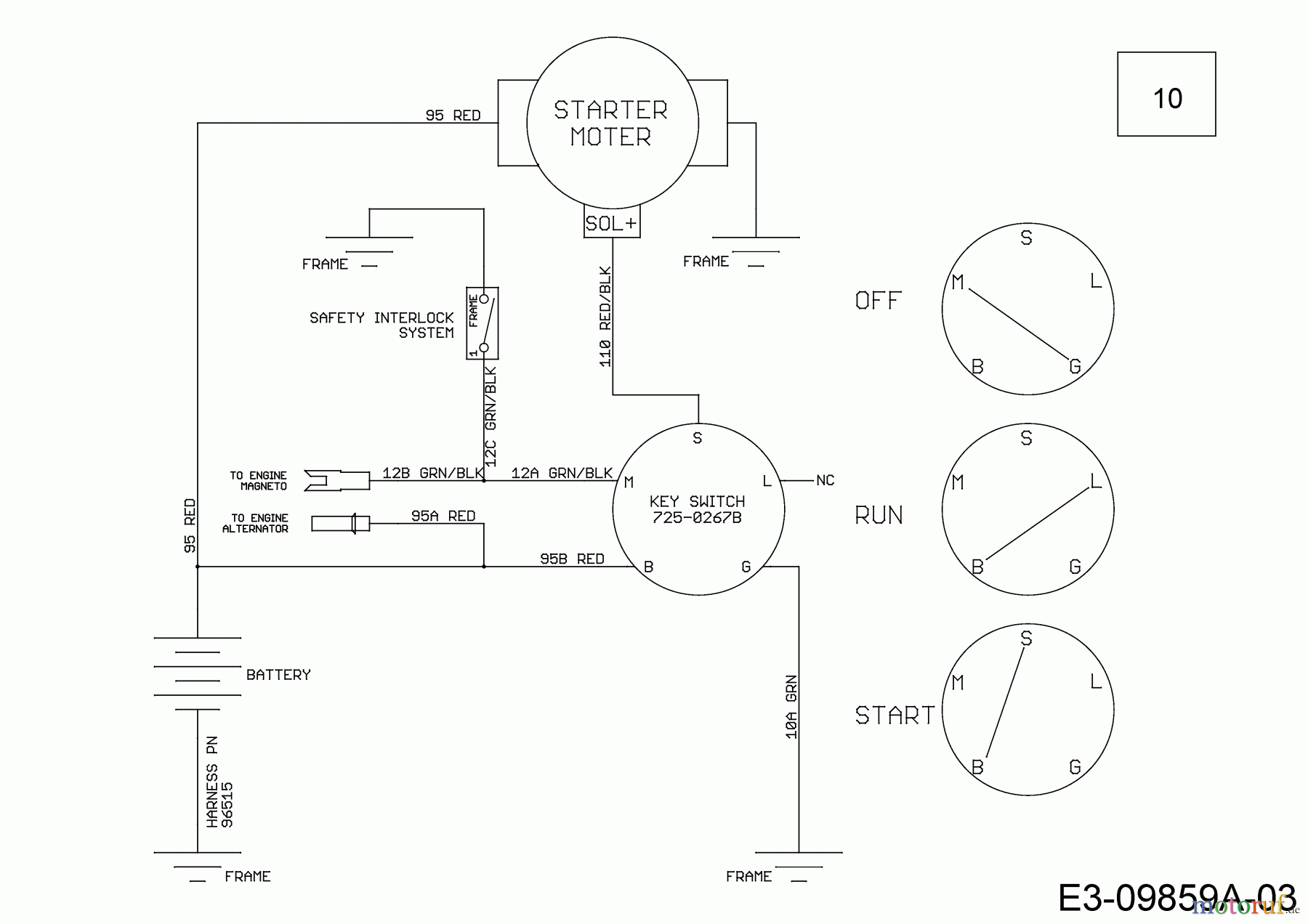
Hier finden Sie die Ersatzteilzeichnung für Troy-Bilt Motorhacken Big Red 20" 21AE682W766 (2018) Schaltplan. Wählen Sie das benötigte Ersatzteil aus der Ersatzteilliste Ihres Troy-Bilt Gerätes aus und bestellen Sie einfach online. Viele Troy-Bilt Ersatzteile halten wir ständig in unserem Lager für Sie bereit.
| BildNr | Artikel Nummer | Bezeichnung | |
| 10 | 725-06424 | HAUPTKABELBAUM | |


Qualitätsmanagement
Informieren Sie uns, wenn Sie einen Fehler gefunden haben.

