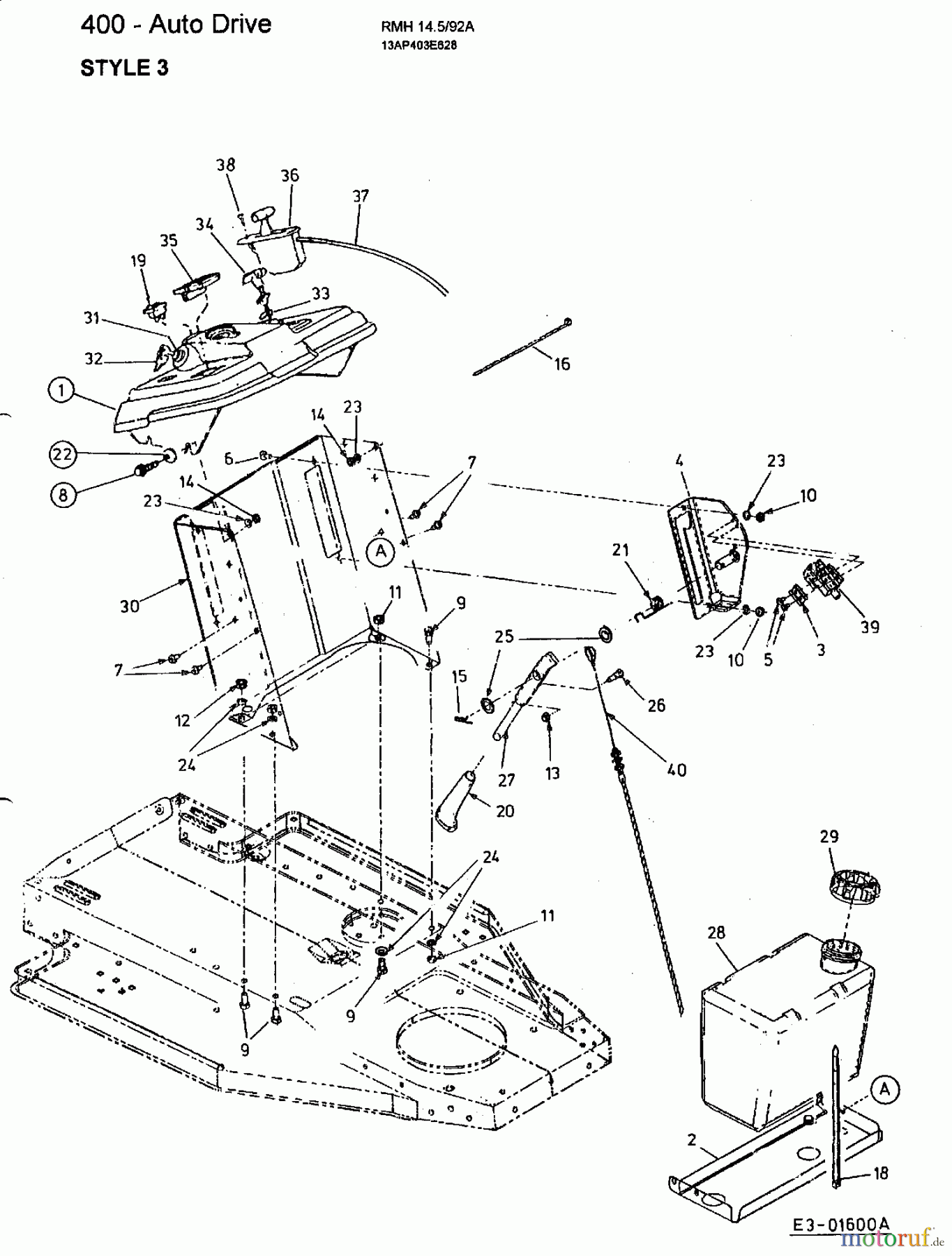
Raiffeisen RMH 14.5/92 A 13AP403E628 (2002) Armaturenbrett, Tank Ersatzteile
Armaturenbrett, Tank 13AP403E628 (2002)

Hier finden Sie die Ersatzteilzeichnung für Raiffeisen Rasentraktoren RMH 14.5/92 A 13AP403E628 (2002) Armaturenbrett, Tank. Wählen Sie das benötigte Ersatzteil aus der Ersatzteilliste Ihres Raiffeisen Gerätes aus und bestellen Sie einfach online. Viele Raiffeisen Ersatzteile halten wir ständig in unserem Lager für Sie bereit.




















