Floraself 4046 BLRE 12BET12Y668 (1999) Höhenverstellung, Räder vorne Ersatzteile
Höhenverstellung, Räder vorne 12BET12Y668 (1999)

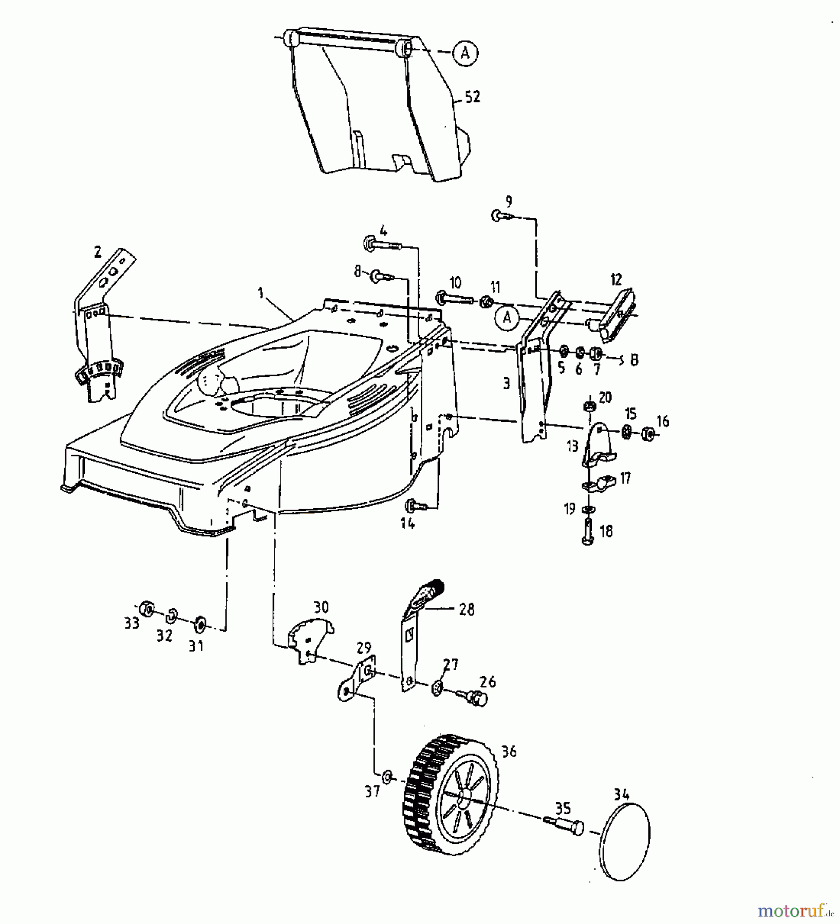
Hier finden Sie die Ersatzteilzeichnung für Floraself Motormäher mit Antrieb 4046 BLRE 12BET12Y668 (1999) Höhenverstellung, Räder vorne. Wählen Sie das benötigte Ersatzteil aus der Ersatzteilliste Ihres Floraself Gerätes aus und bestellen Sie einfach online. Viele Floraself Ersatzteile halten wir ständig in unserem Lager für Sie bereit.


Qualitätsmanagement
Informieren Sie uns, wenn Sie einen Fehler gefunden haben.




