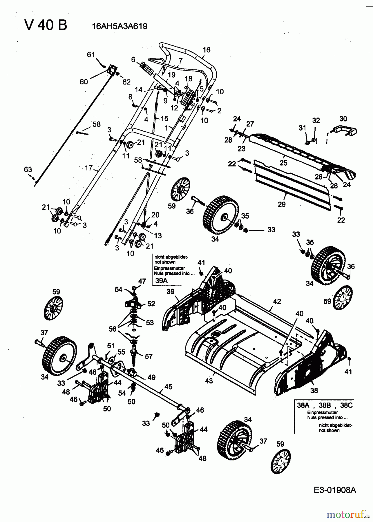
Fleurelle V 40 B 16AH5A3A619 (2004) Holm, Räder Ersatzteile
Holm, Räder 16AH5A3A619 (2004)

Hier finden Sie die Ersatzteilzeichnung für Fleurelle Motorvertikutierer V 40 B 16AH5A3A619 (2004) Holm, Räder. Wählen Sie das benötigte Ersatzteil aus der Ersatzteilliste Ihres Fleurelle Gerätes aus und bestellen Sie einfach online. Viele Fleurelle Ersatzteile halten wir ständig in unserem Lager für Sie bereit.


Qualitätsmanagement
 Informieren Sie uns, wenn Sie einen Fehler gefunden haben.











