Fleurelle AMH 1151 13AB453C619 (1999) Batterie, Sitz, Sitzwanne, Tank Ersatzteile
Batterie, Sitz, Sitzwanne, Tank 13AB453C619 (1999)

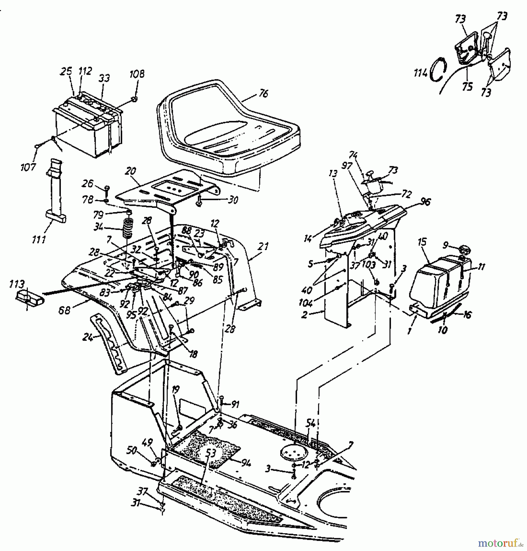
Hier finden Sie die Ersatzteilzeichnung für Fleurelle Rasentraktoren AMH 1151 13AB453C619 (1999) Batterie, Sitz, Sitzwanne, Tank. Wählen Sie das benötigte Ersatzteil aus der Ersatzteilliste Ihres Fleurelle Gerätes aus und bestellen Sie einfach online. Viele Fleurelle Ersatzteile halten wir ständig in unserem Lager für Sie bereit.
Häufig benötigte Fleurelle AMH 1151 13AB453C619 (1999) Batterie, Sitz, Sitzwanne, Tank Ersatzteile

Artikelnummer: 751-0603
Suche nach: 751-0603
Hersteller: MTD
Fleurelle Ersatzteil Batterie, Sitz, Sitzwanne, Tank
Suche nach: 751-0603
Hersteller: MTD
Fleurelle Ersatzteil Batterie, Sitz, Sitzwanne, Tank
8.62 €
für EU incl. MwSt., zzgl. Versand


Qualitätsmanagement
Informieren Sie uns, wenn Sie einen Fehler gefunden haben.































