Cub Cadet Z7 183 53AIHKUY603 (2018) Abdeckungen Mähwerk Ersatzteile
Abdeckungen Mähwerk 53AIHKUY603 (2018)

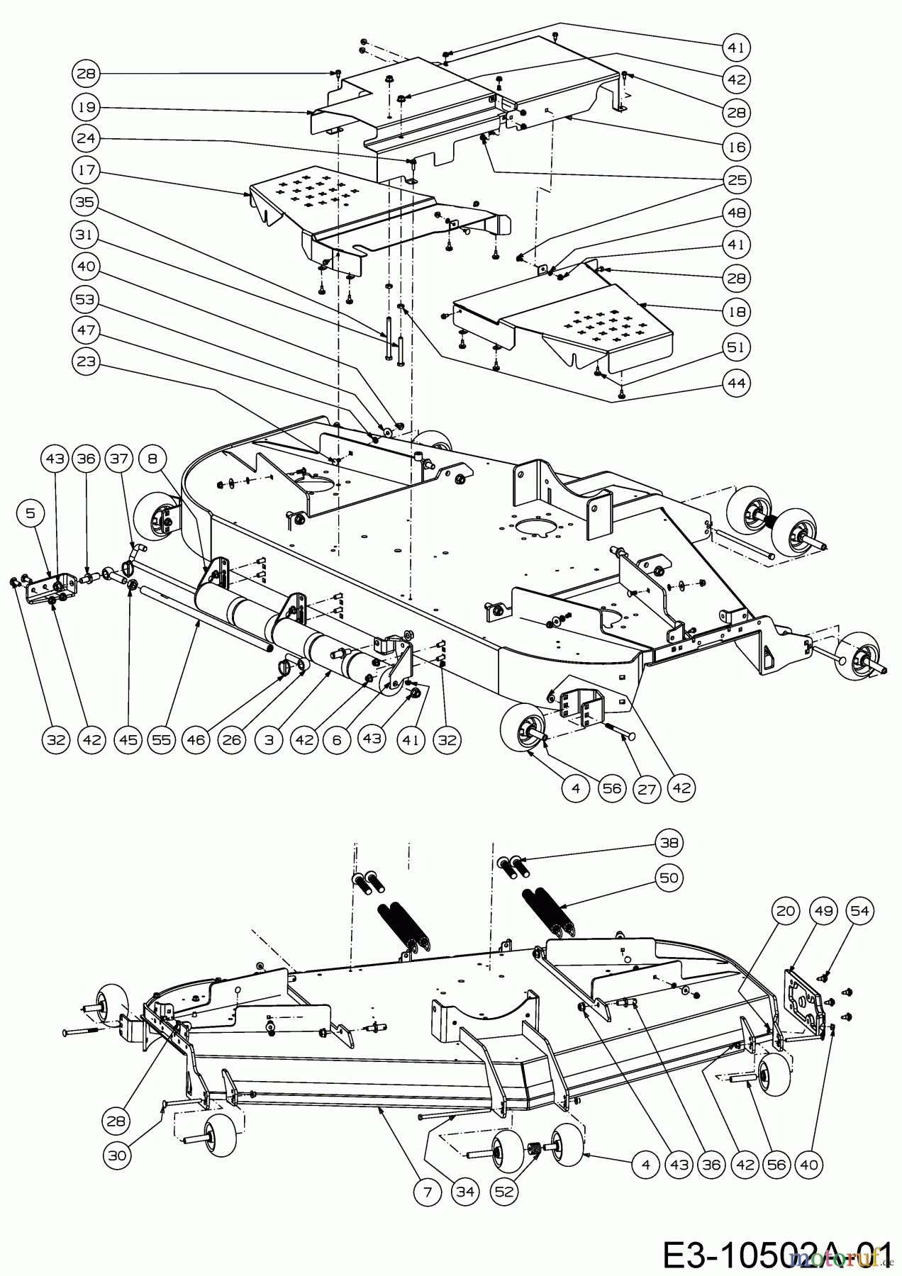
Hier finden Sie die Ersatzteilzeichnung für Cub Cadet Zero Turn Z7 183 53AIHKUY603 (2018) Abdeckungen Mähwerk. Wählen Sie das benötigte Ersatzteil aus der Ersatzteilliste Ihres Cub Cadet Gerätes aus und bestellen Sie einfach online. Viele Cub Cadet Ersatzteile halten wir ständig in unserem Lager für Sie bereit.


Qualitätsmanagement
Informieren Sie uns, wenn Sie einen Fehler gefunden haben.













