Cub Cadet Z1 122 53AWEHRF603 (2018) Abdeckungen Mähwerk Ersatzteile
Abdeckungen Mähwerk 53AWEHRF603 (2018)

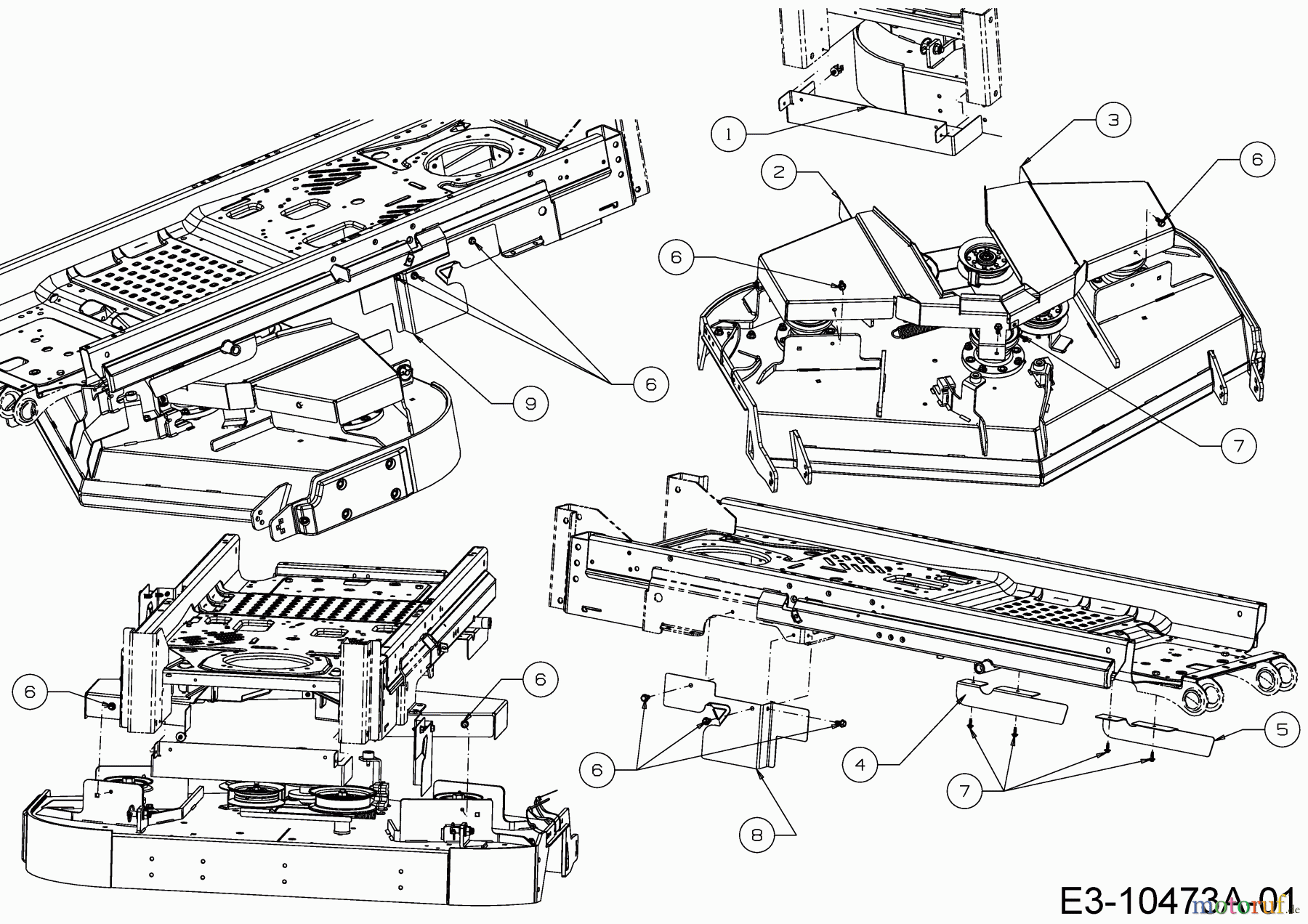
Hier finden Sie die Ersatzteilzeichnung für Cub Cadet Zero Turn Z1 122 53AWEHRF603 (2018) Abdeckungen Mähwerk. Wählen Sie das benötigte Ersatzteil aus der Ersatzteilliste Ihres Cub Cadet Gerätes aus und bestellen Sie einfach online. Viele Cub Cadet Ersatzteile halten wir ständig in unserem Lager für Sie bereit.
| BildNr | Artikel Nummer | Bezeichnung | |
| 1 | 703-10940A | ||
| 2 | 703-11596A | ||
| 3 | 703-11597A | ||
| 4 | 703-11649 | ||
| 5 | 703-11650 | ||
| 6 | ![]() | 710-04484 | 6KT-SCHRAUBE:TT:5/16-18:.750 |
| 7 | 710-06133 | 6KT-SCHR:TAP:CF:M6-1 x.660" | |
| 8 | 783-08893 | ||
| 9 | 783-08925 | ||




