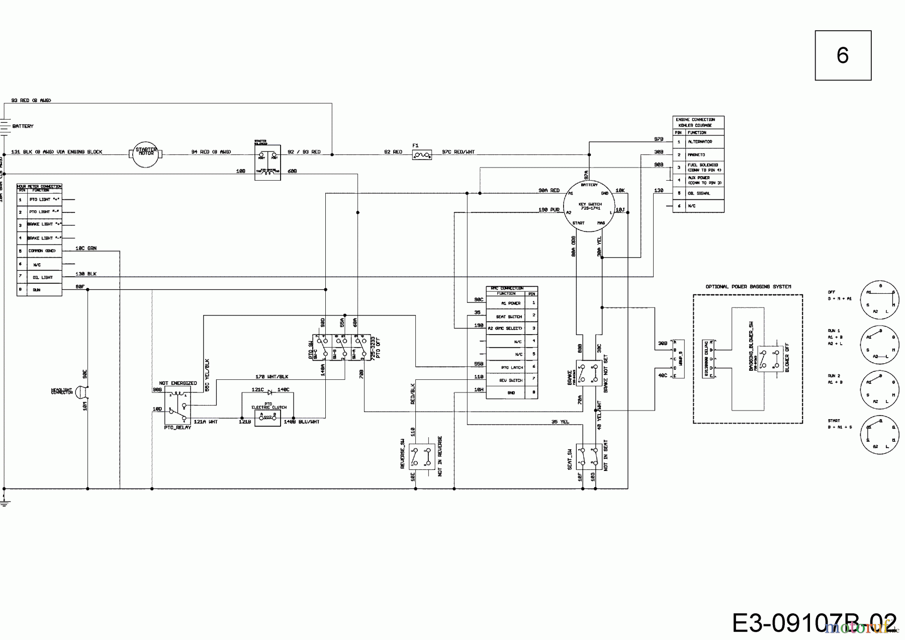
Cub Cadet XZ3 122 17BIDGHB603 (2018) Schaltplan Ersatzteile
Schaltplan 17BIDGHB603 (2018)

Hier finden Sie die Ersatzteilzeichnung für Cub Cadet Zero Turn XZ3 122 17BIDGHB603 (2018) Schaltplan. Wählen Sie das benötigte Ersatzteil aus der Ersatzteilliste Ihres Cub Cadet Gerätes aus und bestellen Sie einfach online. Viele Cub Cadet Ersatzteile halten wir ständig in unserem Lager für Sie bereit.
| BildNr | Artikel Nummer | Bezeichnung | |
| 6 | 725-06074B | HAUPTKABELBAUM | |



