Cub Cadet XZ2 117I 17AWCBYT603 (2018) Schaltplan Ersatzteile
Schaltplan 17AWCBYT603 (2018)

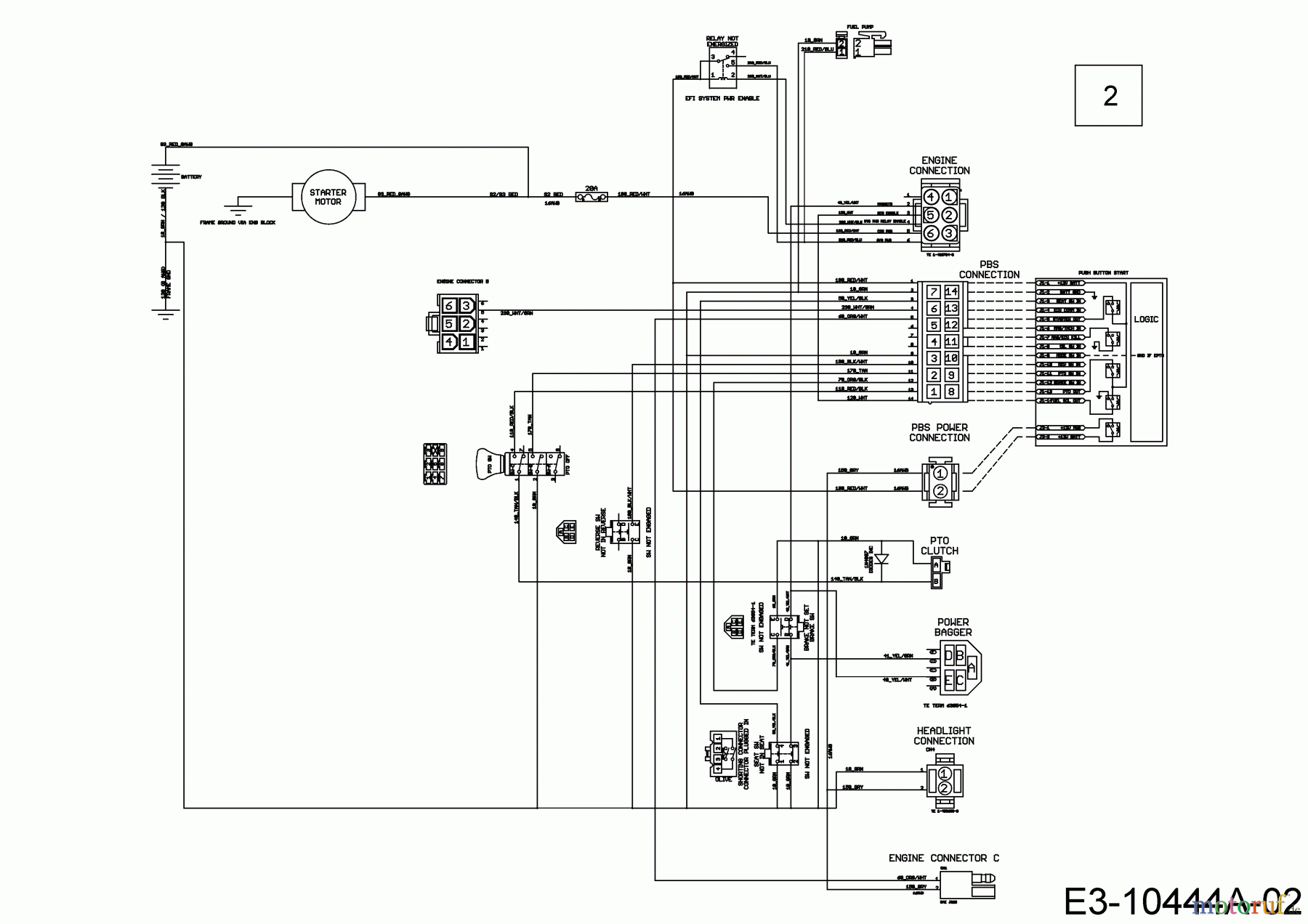
Hier finden Sie die Ersatzteilzeichnung für Cub Cadet Zero Turn XZ2 117I 17AWCBYT603 (2018) Schaltplan. Wählen Sie das benötigte Ersatzteil aus der Ersatzteilliste Ihres Cub Cadet Gerätes aus und bestellen Sie einfach online. Viele Cub Cadet Ersatzteile halten wir ständig in unserem Lager für Sie bereit.
| BildNr | Artikel Nummer | Bezeichnung | |
| 2 | 725-07196A | HAUPTKABELBAUM E-PTO/PBS/EFI | |



