Cub Cadet XZ2 107I 17AWCBYS603 (2018) Vorderachse Ersatzteile
Vorderachse 17AWCBYS603 (2018)

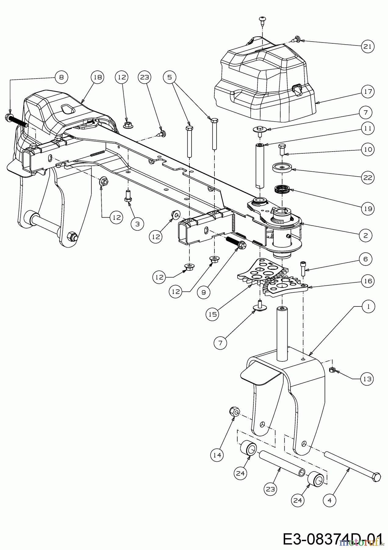
Hier finden Sie die Ersatzteilzeichnung für Cub Cadet Zero Turn XZ2 107I 17AWCBYS603 (2018) Vorderachse. Wählen Sie das benötigte Ersatzteil aus der Ersatzteilliste Ihres Cub Cadet Gerätes aus und bestellen Sie einfach online. Viele Cub Cadet Ersatzteile halten wir ständig in unserem Lager für Sie bereit.


Qualitätsmanagement
Informieren Sie uns, wenn Sie einen Fehler gefunden haben.


