Cub Cadet XZ1 107 17DMCACS603 (2018) Mähwerksabdeckung Ersatzteile
Mähwerksabdeckung 17DMCACS603 (2018)

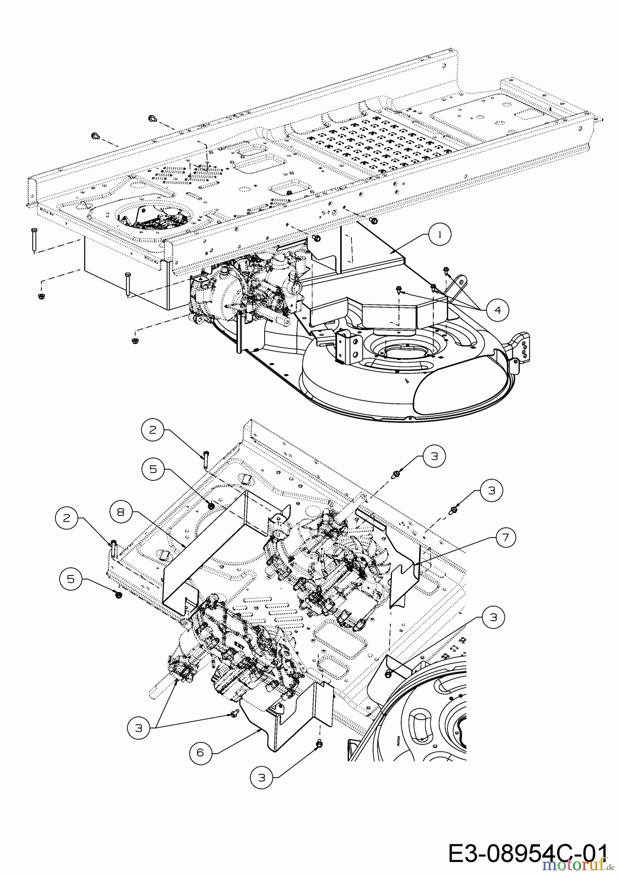
Hier finden Sie die Ersatzteilzeichnung für Cub Cadet Zero Turn XZ1 107 17DMCACS603 (2018) Mähwerksabdeckung. Wählen Sie das benötigte Ersatzteil aus der Ersatzteilliste Ihres Cub Cadet Gerätes aus und bestellen Sie einfach online. Viele Cub Cadet Ersatzteile halten wir ständig in unserem Lager für Sie bereit.
| BildNr | Artikel Nummer | Bezeichnung | |
| 1 | 683-05194A | ||
| 2 | 710-0395 | 6KT-SCHR:5/16-18:2.25:GR5:STD | |
| 3 | ![]() | 710-04484 | 6KT-SCHRAUBE:TT:5/16-18:.750 |
| 4 | ![]() | 710-1652 | 6KT-SCHRAUBE:TT:1/4-20:.625 |
| 5 | ![]() | 712-04063 | 6KT-BUNDMUTTER:5/16-18:NYLON |
| 6 | 783-08795 | ||
| 7 | 783-08829A | ||
| 8 | 783-09750 | ||






