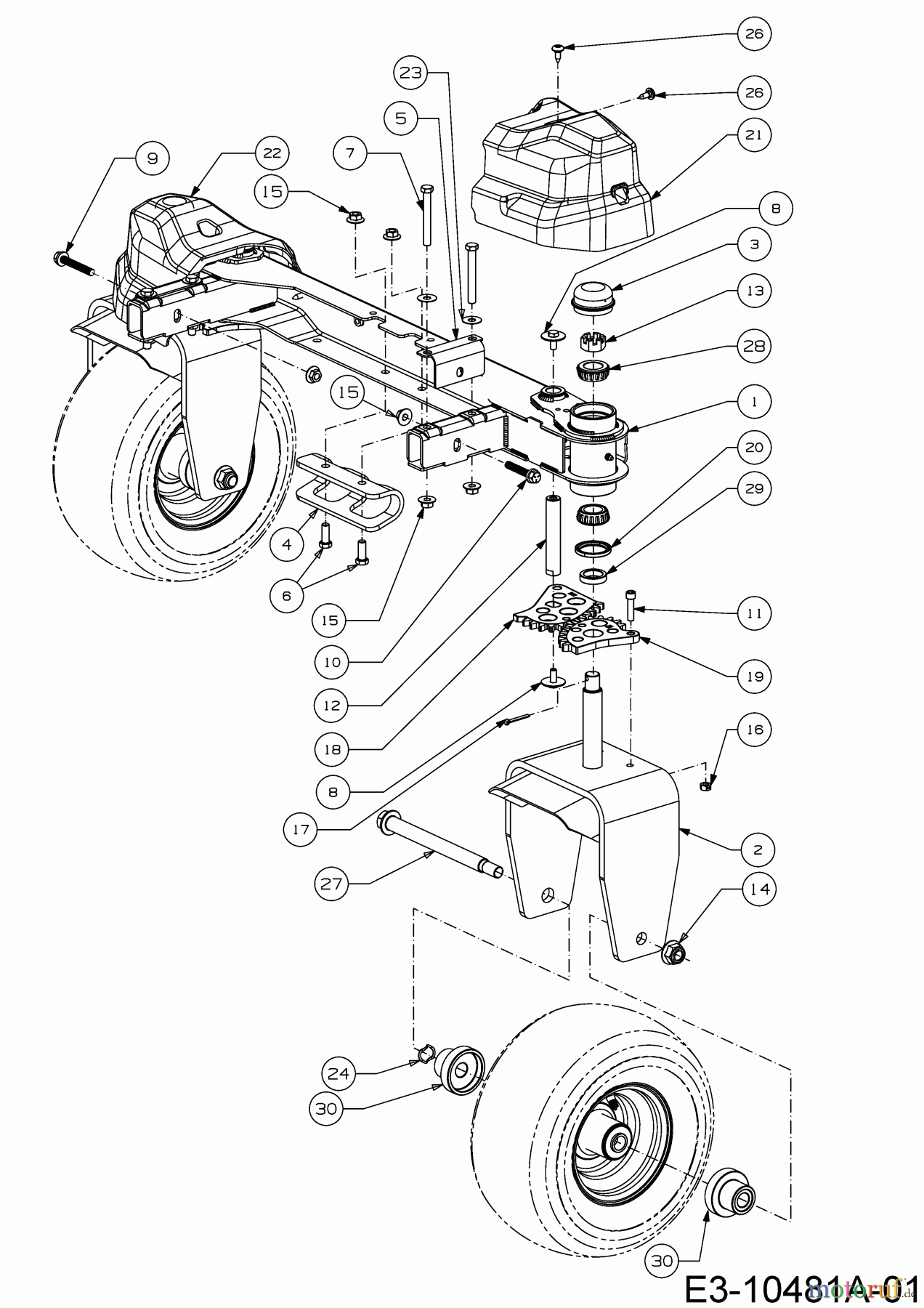
Cub Cadet Z1 137 53BWEFJA603 (2018) Vorderachse Ersatzteile
Vorderachse 53BWEFJA603 (2018)

Hier finden Sie die Ersatzteilzeichnung für Cub Cadet Zero Turn Z1 137 53BWEFJA603 (2018) Vorderachse. Wählen Sie das benötigte Ersatzteil aus der Ersatzteilliste Ihres Cub Cadet Gerätes aus und bestellen Sie einfach online. Viele Cub Cadet Ersatzteile halten wir ständig in unserem Lager für Sie bereit.


Qualitätsmanagement
Informieren Sie uns, wenn Sie einen Fehler gefunden haben.




