Cub Cadet 730 HD TDE 31AY77KZ603 (2018) Armaturenbrett, Schalthebel Ersatzteile
Armaturenbrett, Schalthebel 31AY77KZ603 (2018)

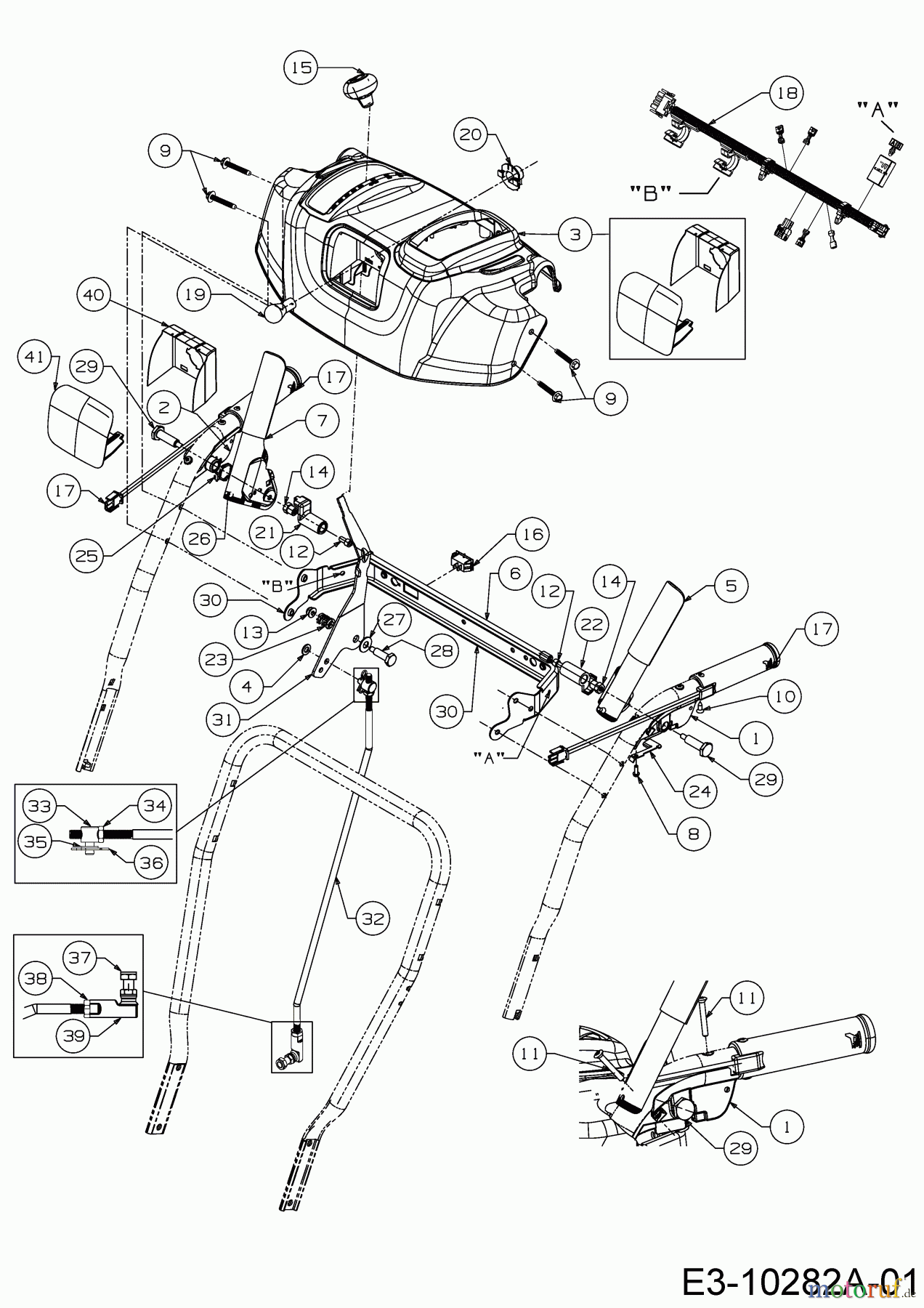
Hier finden Sie die Ersatzteilzeichnung für Cub Cadet Schneefräsen 730 HD TDE 31AY77KZ603 (2018) Armaturenbrett, Schalthebel. Wählen Sie das benötigte Ersatzteil aus der Ersatzteilliste Ihres Cub Cadet Gerätes aus und bestellen Sie einfach online. Viele Cub Cadet Ersatzteile halten wir ständig in unserem Lager für Sie bereit.


Qualitätsmanagement
Informieren Sie uns, wenn Sie einen Fehler gefunden haben.












