Cub Cadet 528 HD SWE 31AY55KY603 (2016) Fahrantrieb, Fräsantrieb Ersatzteile
Fahrantrieb, Fräsantrieb 31AY55KY603 (2016)

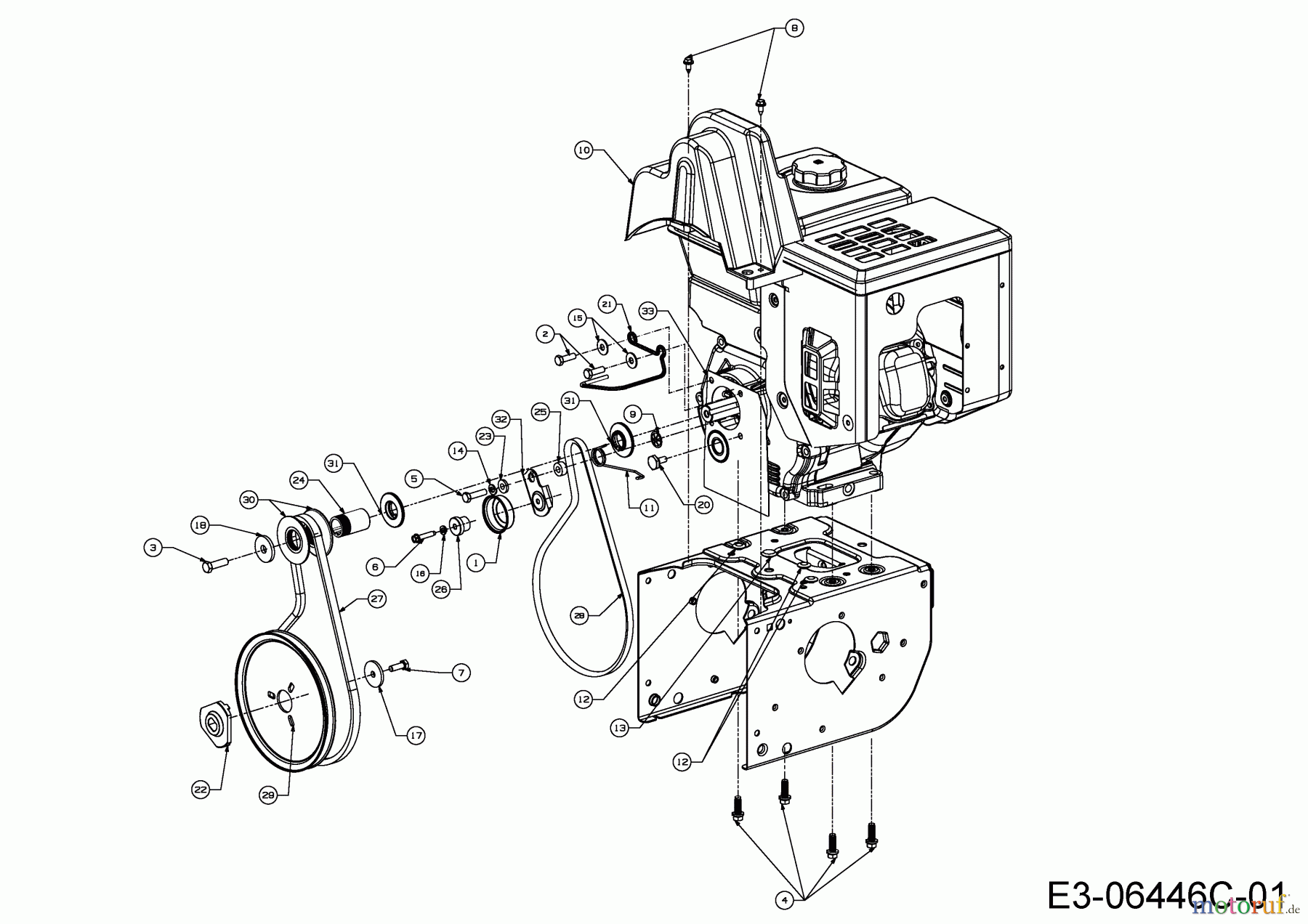
Hier finden Sie die Ersatzteilzeichnung für Cub Cadet Schneefräsen 528 HD SWE 31AY55KY603 (2016) Fahrantrieb, Fräsantrieb. Wählen Sie das benötigte Ersatzteil aus der Ersatzteilliste Ihres Cub Cadet Gerätes aus und bestellen Sie einfach online. Viele Cub Cadet Ersatzteile halten wir ständig in unserem Lager für Sie bereit.


Qualitätsmanagement
Informieren Sie uns, wenn Sie einen Fehler gefunden haben.











