Cub Cadet 221 LHP 31AR2T6D603 (2018) Motorabdeckung Ersatzteile
Motorabdeckung 31AR2T6D603 (2018)

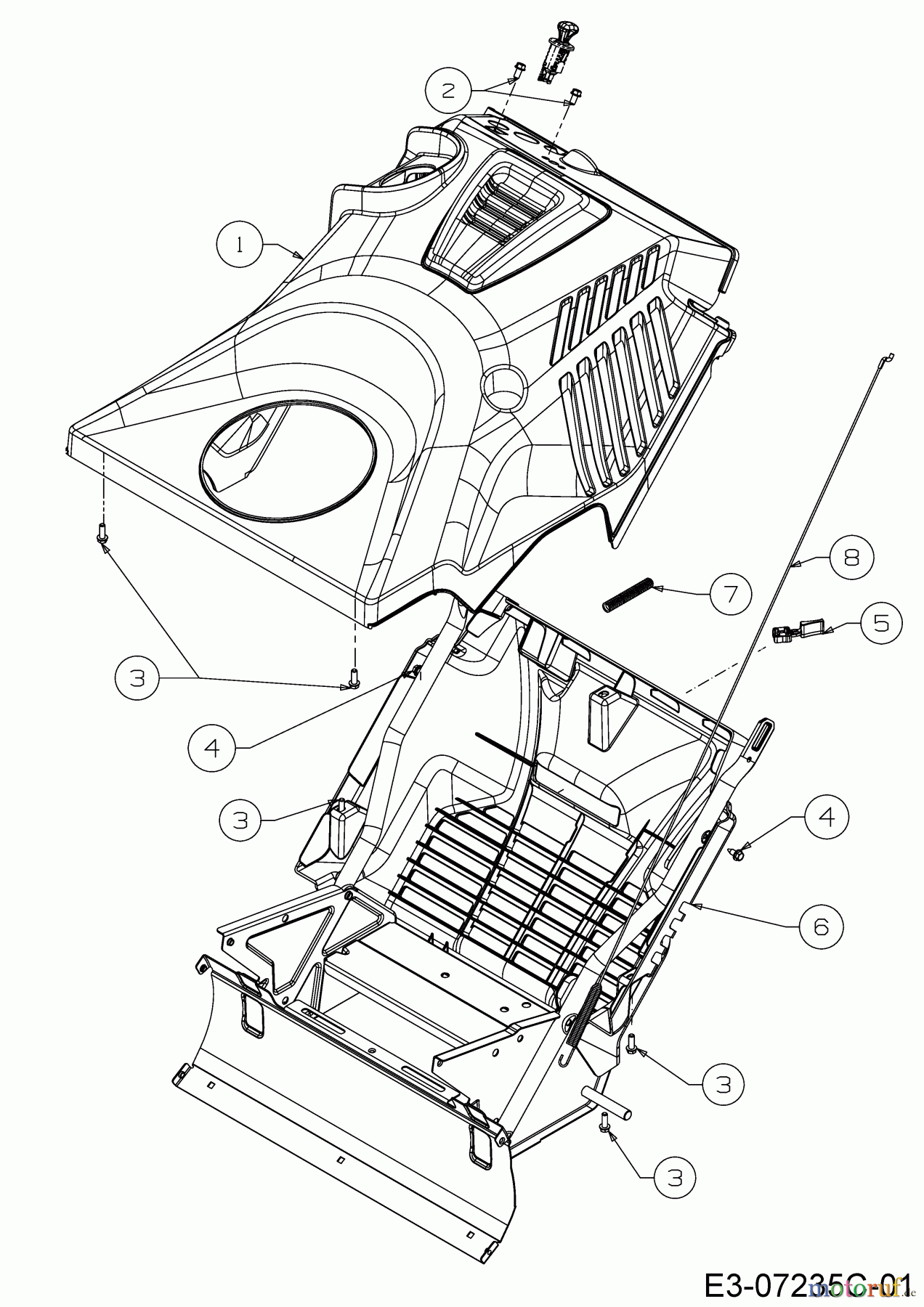
Hier finden Sie die Ersatzteilzeichnung für Cub Cadet Schneefräsen 221 LHP 31AR2T6D603 (2018) Motorabdeckung. Wählen Sie das benötigte Ersatzteil aus der Ersatzteilliste Ihres Cub Cadet Gerätes aus und bestellen Sie einfach online. Viele Cub Cadet Ersatzteile halten wir ständig in unserem Lager für Sie bereit.


Qualitätsmanagement
Informieren Sie uns, wenn Sie einen Fehler gefunden haben.




