Cub Cadet XM2 DR46S 12ABYADQ603 (2018) Abdeckungen, Achslager hinten Ersatzteile
Abdeckungen, Achslager hinten 12ABYADQ603 (2018)

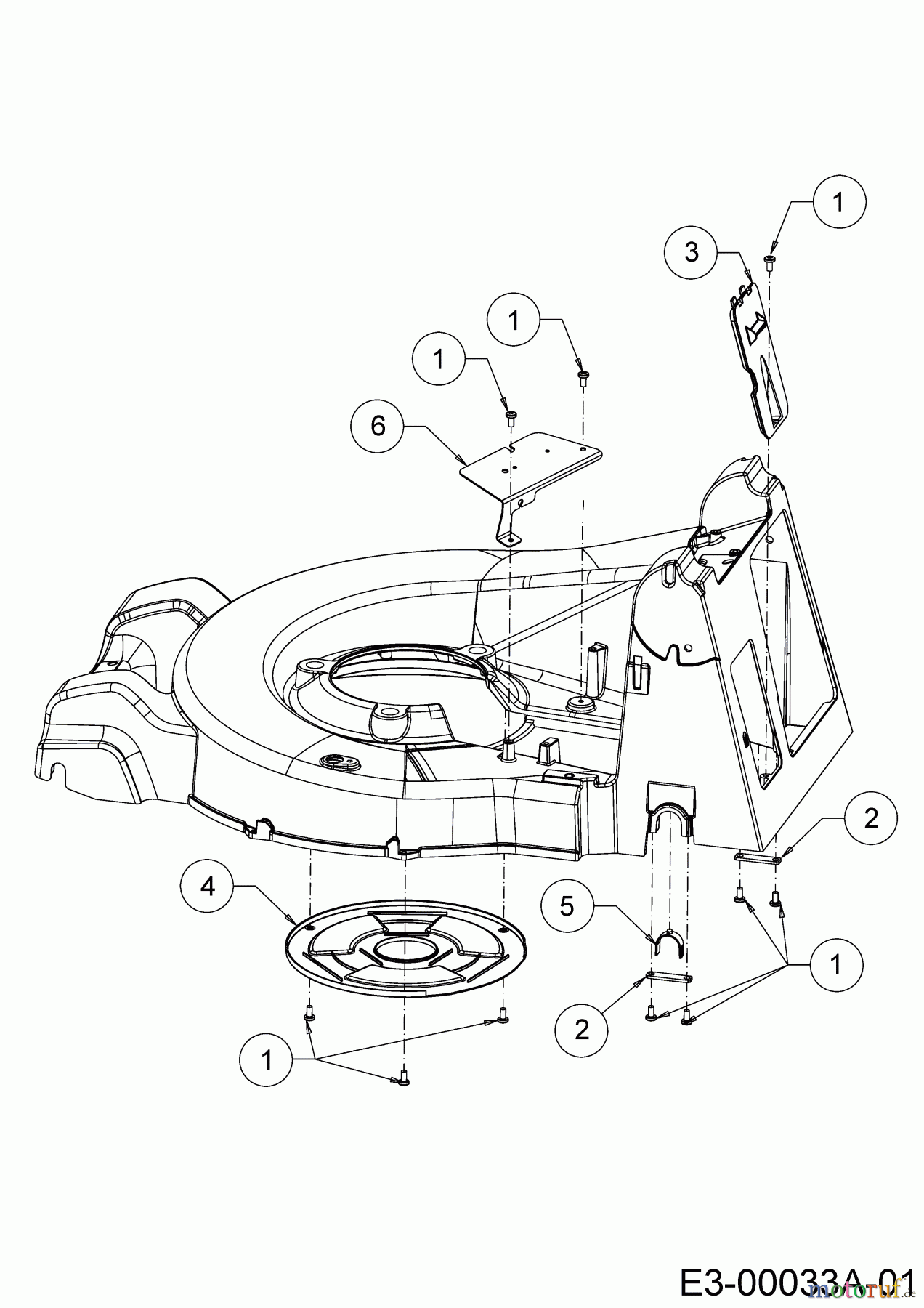
Hier finden Sie die Ersatzteilzeichnung für Cub Cadet Motormäher mit Antrieb XM2 DR46S 12ABYADQ603 (2018) Abdeckungen, Achslager hinten. Wählen Sie das benötigte Ersatzteil aus der Ersatzteilliste Ihres Cub Cadet Gerätes aus und bestellen Sie einfach online. Viele Cub Cadet Ersatzteile halten wir ständig in unserem Lager für Sie bereit.



